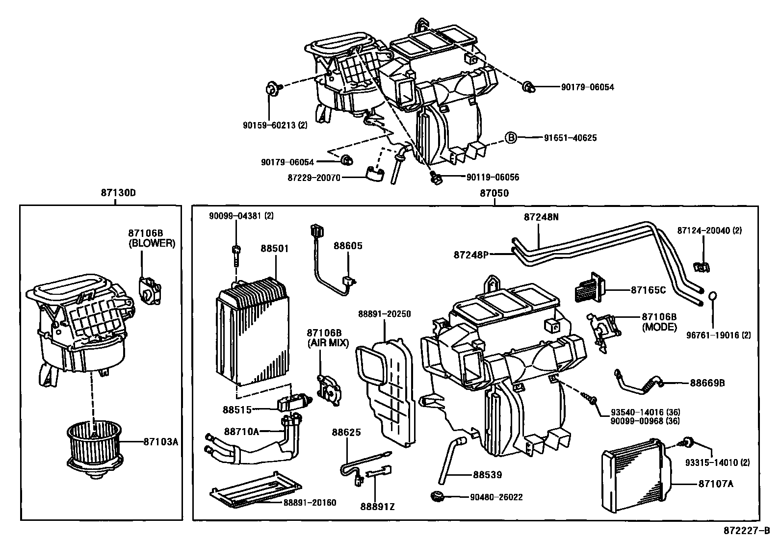
HEATING & AIR CONDITIONING - COOLER UNIT

87050RADIATOR ASSY, AIR CONDITIONER
87103AMOTOR SUB-ASSY, COOLING UNIT, W/FAN
87106BSERVO SUB-ASSY, DAMPER(FOR COOLING UNIT)
MODE
AIR MIX
BLOWER
87107AUNIT SUB-ASSY, HEATER RADIATOR
87165CCONTROL, BLOWER MOTOR
sub87165-32010
87248NPIPE, HEATER WATER INLET
87248PPIPE, HEATER WATER OUTLET
88501EVAPORATOR SUB-ASSY, COOLER, NO.1
88515VALVE, COOLER EXPANSION
sub88515-22240
88539HOSE, COOLER UNIT DRAIN, NO.1
88605HARNESS SUB-ASSY, COOLER WIRING, NO.1
88625THERMISTOR, COOLER, NO.1
88669BHOSE, COOLER AIR
88710ATUBE ASSY, AIR CONDITIONER
88891ZBRACKET, COOLER THERMISTOR
8712420040CLAMP, HEATER
main87124-20040
8722920070PACKING, HEATER INLET HOLE COVER
main87229-20070
8889120160PACKING (FOR COOLER)
main88891-20160
8889120250PACKING (FOR COOLER)
main88891-20250
9009900968
main90099-00968
9009904381
main90099-04381
9011906056
main90119-06056
9015960213
main90159-60213
9017906054
main90179-06054
9048026022
main90480-26022
9165140625
main91651-40625
9331514010
main93315-14010
9354014016
main93540-14016
9676119016
main96761-19016
30 parts on this diagram · 2 diagrams in section