E
EPC Data

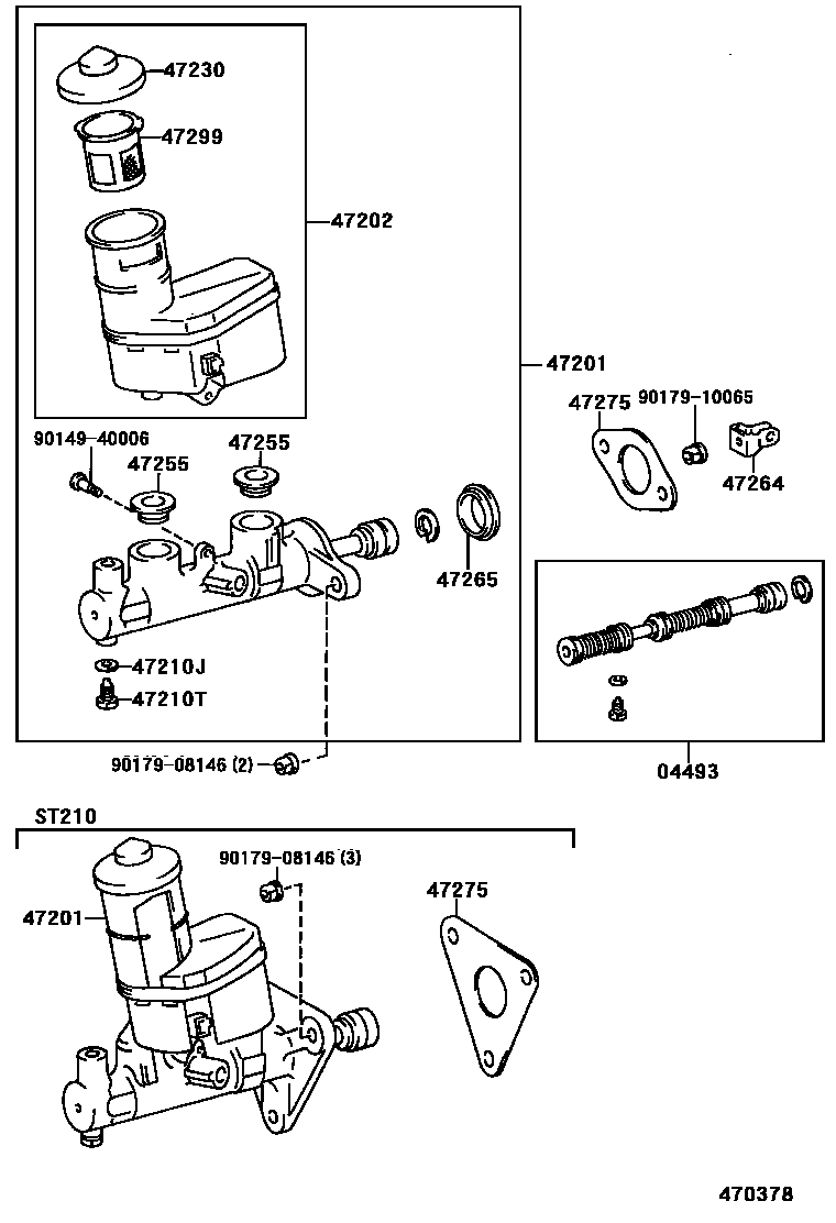
BRAKE MASTER CYLINDER

Parts diagram
04493CYLINDER KIT, BRAKE MASTER
main04493-2B010i199601
47201CYLINDER SUB-ASSY, BRAKE MASTER
main47201-2B130i199601
47202RESERVOIR SUB-ASSY, BRAKE MASTER CYLINDER
main47220-20170i199601
47210JGASKET(FOR MASTER CYLINDER)
main90430-06104i199601
47210TBOLT(FOR BRAKE MASTER CYLINDER)
main90109-06077i199601
47230CAP ASSY, BRAKE MASTER CYLINDER RESERVOIR FILLER
main47230-12040i199601
47255GROMMET, MASTER CYLINDER RESERVOIR
main47255-16010i199601
47264CLEVIS, MASTER CYLINDER PUSH ROD
main47264-20060i199601
47265BOOT, MASTER CYLINDER
main47265-20050i199601
47275GASKET, BRAKE MASTER CYLINDER
main47275-12020i199601
47299STRAINER, BRAKE MASTER CYLINDER RESERVOIR
main47299-24010i199601
9014940006
9017908146
9017910065

14 parts on this diagram · 1 diagram in section

BRAKE MASTER CYLINDER — Toyota Parts Diagram with OEM Numbers & Prices | EPC Data