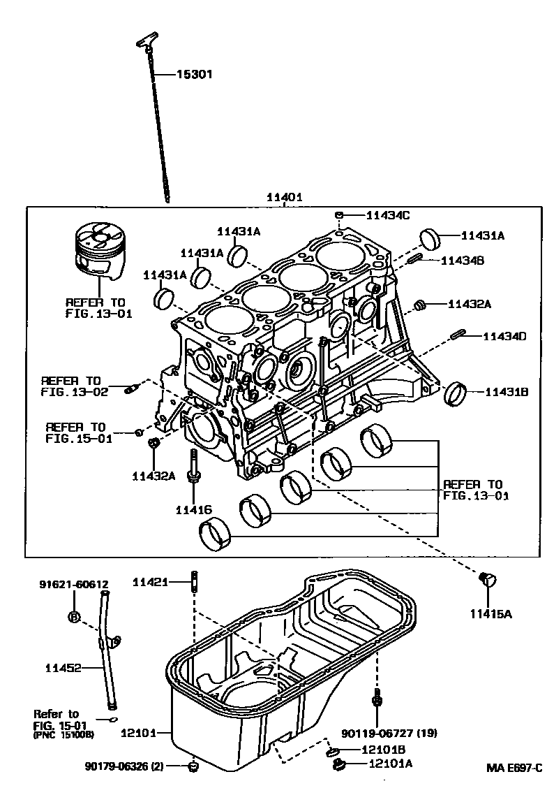
CYLINDER BLOCK

11401BLOCK SUB-ASSY, CYLINDER
sub11401-19755
SINGAPORE SPEC OR THAILAND SPEC
THAILAND SPEC
SINGAPORE SPEC
MIDDLE EAST SPEC
sub11401-79616
sub11401-79617
11415COCK SUB-ASSY, WATER DRAIN(FOR CYLINDER BLOCK)
sub90345-52003
11415APLUG, WATER DRAIN COCK(FOR CYLINDER BLOCK)
11416BOLT(FOR CRANKSHAFT BEARING CAP SET)
11421BOLT, STUD(FOR OIL PAN)
11431APLUG, TIGHT, NO.1(FOR CYLINDER BLOCK)
11431BPLUG, TIGHT, NO.2(FOR CYLINDER BLOCK)
11432APLUG, W/HEAD TAPER SCREW, NO.1
11434BPIN, STRAIGHT(FOR CLUTCH HOUSING SET)
L=22,OD=10
11434CPIN, STRAIGHT (FOR CYLINDER HEAD SET)
L=12,OD=13
L=9,OD=14
L=16,OD=14
11434DPIN, STRAIGHT(FOR ENGINE REAR OIL SEAL)
L=14,OD=6
L=11,OD=6
1301
1302
1501
9011906727
main90119-06727
9017906326
main90179-06326
9162160612
main91621-60612
22 parts on this diagram · 3 diagrams in section