E
EPC Data

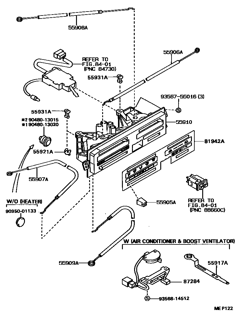
HEATING & AIR CONDITIONING - CONTROL & AIR DUCT

Parts diagram
55905AKNOB, HEATER CONTROL
main55905-12130i198712-199211
main55905-20280i198712-199208
W(PUSH TYPE HEATER CONTROL),A/C
main55905-20290i198712-199208
W(PUSH TYPE HEATER CONTROL),ECON
main55905-20410i198911-199208
W(PUSH TYPE HEATER CONTROL),BLIND COVER
55906ACABLE SUB-ASSY, DEFROSTER DAMPER CONTROL
main55906-20260i198712-198911
main55906-20261i198911-199211
main55906-20290i198805-198912
main55906-20291i198912-199211
55907ACABLE SUB-ASSY, WATER VALVE CONTROL
main55907-20200i198712-198911
main55907-20201i198911-199211
main55907-20210i198712-198912
main55907-20211i198912-199211
55908ACABLE SUB-ASSY, AIR INLET DAMPER CONTROL
main55908-20130i198712-198911
main55908-20131i198911-199211
main55908-20140i198712-198912
main55908-20141i198912-199211
55909ACABLE SUB-ASSY, AIRMIX DAMPER CONTROL
main55909-20070i198712-198911
main55909-20071i198911-199211
main55909-20080i198712-198912
main55909-20081i198912-199211
55910CONTROL ASSY, HEATER OR BOOST VENTILATOR
main55910-20460i198712-198911
W(HEATER)
main55910-20461i198911-199211
W(HEATER)
main55910-20470i198712-198912
main55910-20471i198912-199211
main55910-20490i198712-199004
W(HEATER)
main55910-20491i198912-199211
W(HEATER)
main55910-20500i198712-199004
main55910-20501i198912-199211
main55910-20520i198712-198912
W(AIR CONDITIONER)
main55910-20521i198912-199211
W(AIR CONDITIONER)
main55910-20530i198712-199004
W(AIR CONDITIONER)
main55910-20531i198912-199211
W(AIR CONDITIONER)
55917ALEVER, TEMPERATURE DAMPER CONTROL
main55917-20120i198712-199211
55921ARETAINER, HEATER CONTROL
main55921-20110i198712-199211
55931ASHAFT, HEATER CONTROL LEVER
main55931-20080i198712-199211
LH
main55931-20090i198712-199211
RH
81942ASHEET, HEATER CONTROL NAME, NO.1
main81942-20180i198712-199211
W(HEATER)
main81942-20190i198712-199211
main81942-20220i198712-199211
W(HEATER)
main81942-20230i198712-199211
8401SWITCH & RELAY & COMPUTER
87284RESISTOR SUB-ASSY, VARIABLE
main88032-20100i198712-199211
main88032-20120i198712-199211
9048013015
9048013020
9095001133
9356755016
9356814512

17 parts on this diagram · 4 diagrams in section

HEATING & AIR CONDITIONING - CONTROL & AIR DUCT — Toyota Parts Diagram with OEM Numbers & Prices | EPC Data