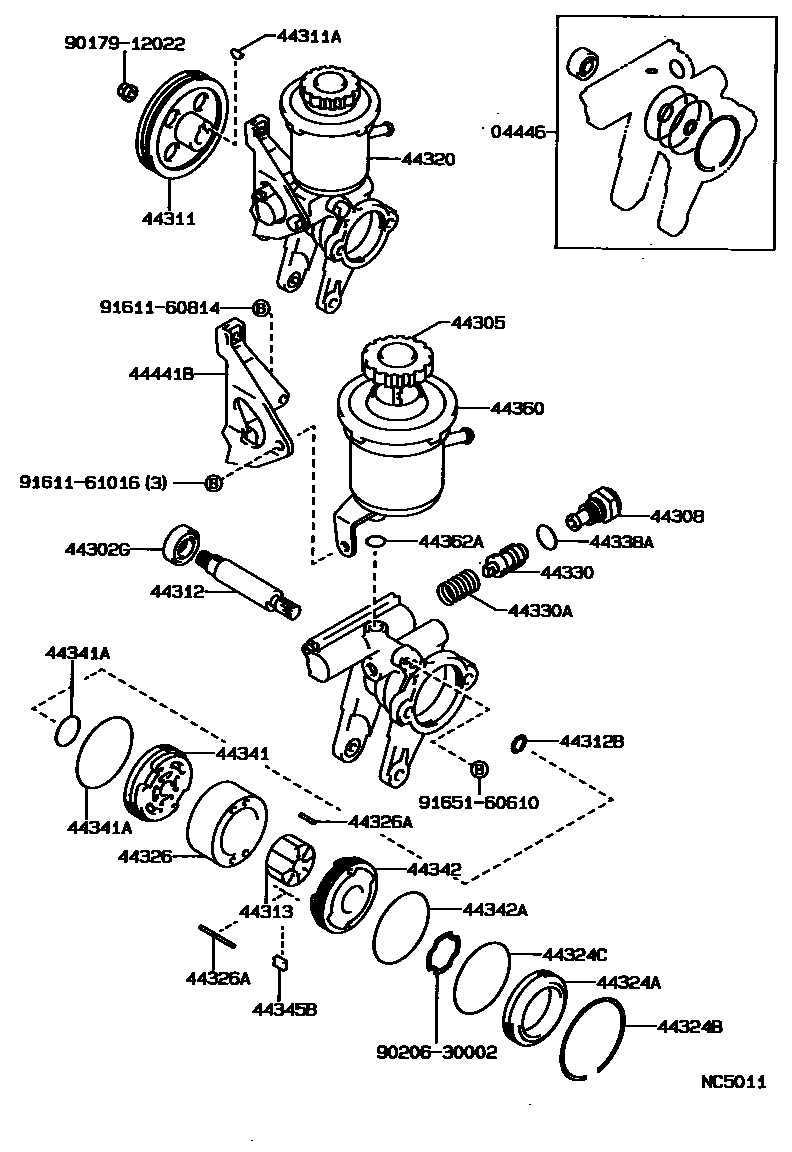
VANE PUMP & RESERVOIR (POWER STEERING)

44302GSEAL, OIL, NO.2(FOR VANE PUMP HOUSING)
44311PULLEY, VANE PUMP
44311AKEY, VANE PUMP PULLEY
44312SHAFT, VANE PUMP
44312BRING, SNAP, NO.1(FOR VANE PUMP SHAFT)
44313ROTOR, VANE PUMP
NO MARK
MARK 1
MARK 2
MARK 3
MARK 4
44320PUMP ASSY, VANE
sub44320-12052
sub44320-12053
sub44320-20161
sub44320-20163
sub44320-20163
sub44320-20173
sub44320-20173
sub44320-32043
sub44320-32041
44324AHOUSING, PUMP, REAR
44324BRING, HOLE SNAP(FOR PUMP HOUSING REAR)
44324CRING, O(FOR PUMP HOUSING REAR)
44326RING, CAM(FOR VANE PUMP)
NO MARK
MARK 1
MARK 2
MARK 3
MARK 4
NO MARK
MARK 1
MARK 2
MARK 3
MARK 4
44326APIN, STRAIGHT(FOR VANE PUMP CAM RING)
L=28,OD=4.0
L=43,OD=4.0
44330VALVE ASSY, FLOW CONTROL
44330ASPRING, COMPRESSION(FOR FLOW CONTROL VALVE)
44338ARING, O(FOR PRESSURE PORT UNION)
44341ARING, O(FOR VANE PUMP FRONT SIDE PLATE)
OUTER
44342ARING, O(FOR VANE PUMP SIDE PLATE REAR)
44345BPLATE, VANE PUMP
L=14.997
L=14.995
L=14.993
L=14.991
L=14.989
44360RESERVOIR ASSY, VANE PUMP OIL
44362ARING, O(FOR VANE PUMP OIL RESERVOIR)
sub90301-11016
44441BBRACKET, PUMP, FRONT
9017912022
main90179-12022
9020630002
main90206-30002
9161160814
main91611-60814
9161161016
main91611-61016
9165160610
main91651-60610
31 parts on this diagram · 3 diagrams in section