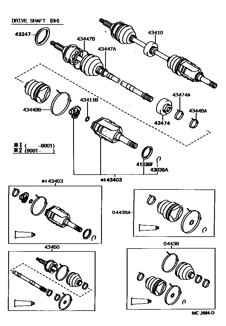
FRONT DRIVE SHAFT

04438BOOT KIT, FRONT DRIVE SHAFT
sub04438-12170
sub04438-12190
sub04438-12171
sub04438-12370
sub04438-20110
sub04438-20131
41336FCOVER, DUST(FOR FRONT AXLE INBOARD JOINT SET)
RH
LH
43030ARING, HOLE SNAP (FOR FRONT DRIVE INBOARD JOINT)
43411BRING, SHAFT SNAP (FOR FRONT DRIVE INNER SHAFT INNER)
43447ACLAMP, NO.1 (FOR FRONT AXLE OUTBOARD JOINT BOOT SETTING)
43448ACLAMP, NO.1 (FOR FRONT AXLE INBOARD JOINT BOOT SETTING)
43460SHAFT ASSY, FRONT DRIVE OUTBOARD JOINT, RH
sub43460-29086
sub43460-29096
sub43460-29098
sub43460-29147
sub43470-29227
43474DAMPER, DRIVE SHAFT
43474ACLAMP (FOR DRIVE SHAFT DAMPER SETTING)
16 parts on this diagram · 8 diagrams in section