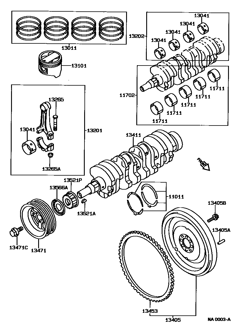
CRANKSHAFT & PISTON

11011WASHER SET, CRANKSHAFT THRUST
STD
STD
O/S 0.125
O/S 0.250
11702BEARING SET, CRANKSHAFT
U/S 0.25
U/S 0.25
U/S 0.25
11711BEARING, CRANKSHAFT
MARK 1
MARK 2
MARK 3
MARK 4
MARK 5
MARK 1
MARK 2
MARK 3
MARK 4
MARK 5
MARK 1
MARK 2
MARK 3
13011RING SET, PISTON
STD
STD
STD
STD
STD
O/S 0.50
O/S 0.50
O/S 0.50
O/S 0.50
O/S 0.50
13101PISTON SUB-ASSY, W/PIN
STD
STD,CKD SPEC,MARK 1
STD,MARK 2
STD,MARK 3
STD
STD,SINGAPORE SPEC,MARK 1
STD,MARK 2
STD,MARK 3
STD
STD,MARK 1
STD,MARK 2
STD,MARK 3
STD
STD,MARK1
STD,MARK2
STD,MARK3
STD,MARK 4
STD
STD,MARK1
STD,MARK2
STD,MARK3
STD,MARK 4
STD,MARK 1
STD,MARK 2
STD,MARK 3
O/S 0.50
O/S 0.50,NEW ZEALAND SPEC & W(HOT AIR INTAKE)
O/S 0.50
O/S 0.50
O/S 0.50
O/S 0.50
13202BEARING SET, CONNECTING ROD
U/S 0.25
U/S 0.25
U/S 0.25
13265BOLT, CONNECTING ROD
13265ANUT, HEXAGON(FOR CONNECTING ROD BOLT)
13405APIN, STRAIGHT(FOR FLYWHEEL)
L=23,OD=8
L=18,OD=8
13405BBOLT, FLYWHEEL SETTING
13453GEAR, FLYWHEEL RING
13521AKEY(FOR CRANKSHAFT TIMING GEAR)
13566AGUIDE, TIMING BELT
20 parts on this diagram · 4 diagrams in section