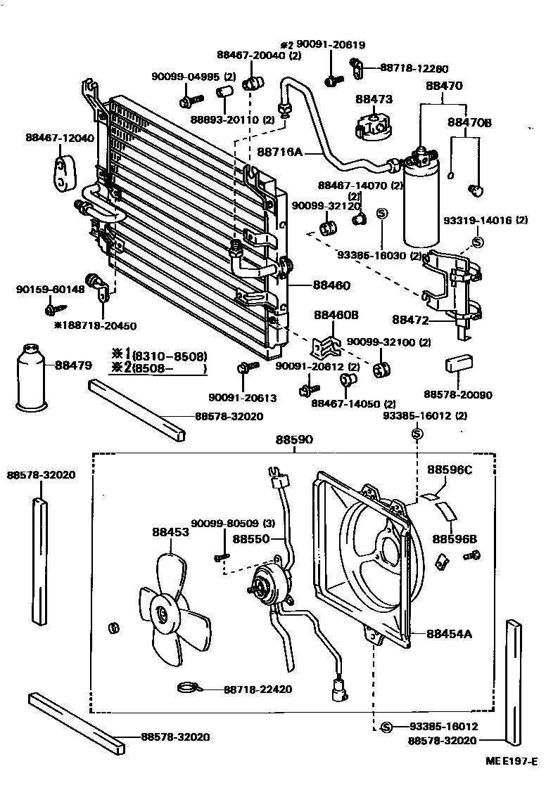
HEATING & AIR CONDITIONING - COOLER PIPING

88453FAN, COOLING (FOR CONDENSER)
*ME
88460CONDENSER ASSY, COOLER
*ME
88460BBRACKET, COOLER CONDENSER, NO.1
88470RECEIVER & DRYER ASSY, COOLER
sub88470-14010
88470BBOLT, FUSE
88472BRACKET, RECEIVER TANK, NO.1
88473CAP, COOLER RECEIVER TANK
88479FREON GAS, AIR CONDITIONER (DRUM, COOLER REFRIGERANT)
88550MOTOR ASSY, BLOWER (FOR CONDENSER)
*ME
88596BPLATE, CAUTION, NO.1
*ME
*ME
88596CPLATE, CAUTION, NO.2
88716APIPE, COOLER REFRIGERANT LIQUID, A
CHINA SPEC
8846712040CUSHION, COOLER CONDENSER, NO.1
main88467-12040
8846714050CUSHION, COOLER CONDENSER, NO.1
main88467-14050
8846714070CUSHION, COOLER CONDENSER, NO.1
main88467-14070
8846720040CUSHION, COOLER CONDENSER, NO.1
main88467-20040
8857820090PAKING, COOLER AIR DUCT
main88578-20090
8857832020PAKING, COOLER AIR DUCT
main88578-32020
8871812280PIPE, COOLER REFRIGERANT SUCTION, NO.2
main88718-12280
8871820450PIPE, COOLER REFRIGERANT SUCTION, NO.2
main88718-20450
8871822420PIPE, COOLER REFRIGERANT SUCTION, NO.2
main88718-22420
8889320110COLLAR (FOR COOLER IDLER PULLEY)
main88893-20110
9009120612
main90091-20612
9009120613
main90091-20613
9009120619
main90091-20619
9009904995
main90099-04995
9009932100
main90099-32100
9009932120
main90099-32120
9009980509
main90099-80509
9015960148
main90159-60148
9331914016
main93319-14016
9338516012
main93385-16012
9338516030
main93385-16030
35 parts on this diagram · 5 diagrams in section