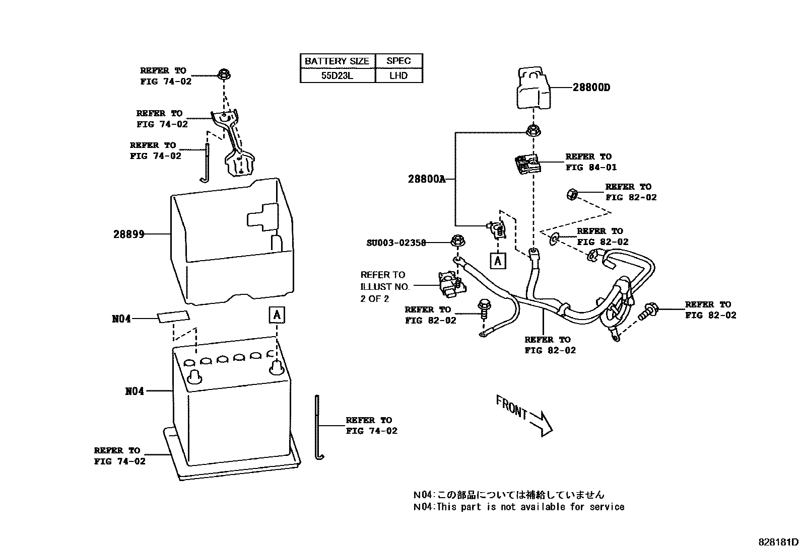
BATTERY & BATTERY CABLE

28800ATERMINAL, BATTERY POSITIVE
28800DCOVER, CONNECTOR(FOR BATTERY TERMINAL)
28899INSULATOR, BATTERY
7402
8202
8401
SU00302358
mainSU003-02358
7 parts on this diagram · 3 diagrams in section

7 parts on this diagram · 3 diagrams in section