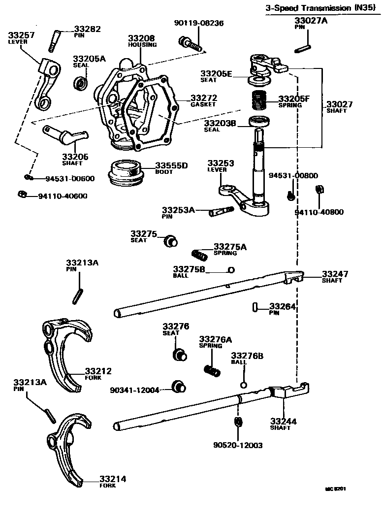
GEAR SHIFT FORK & LEVER SHAFT (MTM)

33027SHAFT SET, SHIFT LEVER
sub33027-30030
33027APIN, SLOTTED SPRING(FOR SHIFT LEVER SHAFT SET)
33203SHAFT SUB-ASSY, SHIFT LEVER, NO.1
33203BSEAL, OIL(FOR SHIFT LEVER SHAFT)
33205SHAFT SUB-ASSY, SELECT LEVER
33205ASEAL, OIL(FOR SHIFT LEVER NO.2 SHAFT)
33205ESEAT(FOR SELECT RETURN SPRING)
sub33276-28011
33205FSPRING, COMPRESSION(FOR SELECT RETURN)
33208HOUSING SUB-ASSY, SHIFT LEVER SHAFT
33212FORK, 1ST & REVERSE SHIFT
sub33212-30041
33213FORK, 1ST & 2ND SHIFT
33213APIN, SLOTTED SPRING(FOR SHIFT FORK SET)
33214FORK, 2ND & 3RD SHIFT
sub33213-30041
33244SHAFT, 2ND & 3RD SHIFT FORK
33247SHAFT, 1ST & REVERSE SHIFT FORK
33253LEVER, SHIFT OUTER, NO.1
33253APIN, LEVER LOCK (FOR SHIFT OUTER LEVER)
33257LEVER, SELECT OUTER
33264PIN, OR BALL, SHIFT INTERLOCK, NO.1
L=13.4,OD=6
L=10.8,OD=6
33272GASKET, SHIFT LEVER SHAFT HOUSING
33275SEAT, SHIFT DETENT BALL SPRING, NO.1
OD=18
OD=17
33275ASPRING, COMPRESSION (FOR SHIFT DETENT BALL LOW SIDE)
L=16.5
L=20.65
L=20.2
L=16.1
33275BBALL, SHAFT DETENT
33276ASPRING, COMPRESSION, NO.2 (FOR SHIFT DETENT BALL)
SHIFT HEAD
SHIFT FORK SHAFT
33276BBALL, SHIFT DETENT, NO.2
SHIFT HEAD
SHIFT FORK SHAFT
33282PIN, LEVER LOCK, NO.2
33555DBOOT, SHIFT LEVER
9011908236
main90119-08236
9034112004
main90341-12004
9052012003
main90520-12003
9411040600
main94110-40600
9411040800
main94110-40800
9453100600
main94531-00600
9453100800
main94531-00800
35 parts on this diagram · 8 diagrams in section