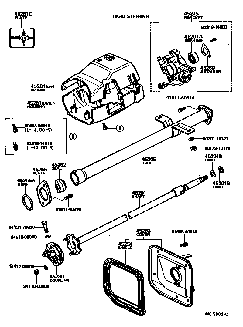
STEERING COLUMN & SHAFT

45201SHAFT SUB-ASSY, STEERING MAIN
W/RIGID STEERING
W/COLAPSIBLE STEERING
W/TILT STEERING
45201ABEARING(FOR STEERING MAIN SHAFT)
UPR
LWR
45201BRING, SHAFT SNAP(FOR STEERING MAIN SHAFT)
T=1.20,T=1.2
T=1.35-1.45,T=1.4
45205TUBE SUB-ASSY, STEERING COLUMN
W/RIGID STEERING
W/RIGID STEERING
W/TILT & PS
W/TILT STEERING
W/COLAPSIBLE STEERING
45230COUPLING ASSY, FLEXIBLE
45253COVER, STEERING COLUMN HOLE
W/PS
45254SHIELD, STEERING COLUMN HOLE
45255PLATE, STEERING COLUMN HOLE COVER
45255AGROMMET OR RING, O(FOR STEERING COLUMN CLAMP)
45269RETAINER, MAIN SHAFT BEARING
45281HOUSING, STEERING COLUMN
UPR,BLACK,BLACK,TRIM2#
sub45023-22120
UPR,DARK WINE,RED/MAROON,TRIM3#
sub45023-22120
UPR,BEIGE,BEIGE,TRIM4#
sub45023-22120
LWR,BLACK,BLACK,TRIM2#
sub45023-22120
LWR,DARK WINE,RED/MAROON,TRIM3#
sub45023-22120
LWR,BEIGE,BEIGE,TRIM4#
sub45023-22120
45281EPLATE, SAFETY CAUTION
45292SEAL, MAIN SHAFT LOWER DUST
HANDICAP PERSON SPEC
9016450048
main90164-50048
9017910178
main90179-10178
9020110323
main90201-10323
9112170830
main91121-70830
9161140816
main91611-40816
9161160614
main91611-60614
9165540618
main91655-40618
9331514012
main93315-14012
9331914008
main93319-14008
9411050800
main94110-50800
9451200800
main94512-00800
25 parts on this diagram · 9 diagrams in section