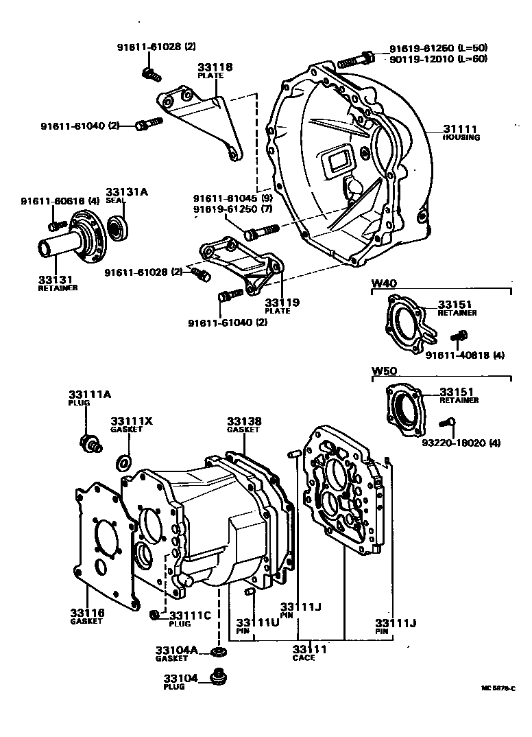
CLUTCH HOUSING & TRANSMISSION CASE (MTM)

33104PLUG SUB-ASSY, DRAIN(MTM)
33104AGASKET, DRAIN PLUG(MTM)
main90430-18007iTT132..LHD..4F;TT132..RHD..MTM;RT13#,TT133..MTM;TT132..(HT,LB)..LHD..5F198108-198301
sub90430-18008
33111APLUG, MANUAL TRANSMISSION CASE
33111CPLUG(FOR TRANSMISSION CASE)
OD=14
33111JPIN, STRAIGHT(FOR MANUAL TRANSMISSION CASE)
L=16,OD=8
sub90250-08046
L=16,OD=12,L=16
L=17,OD=12,L=17
OD=12,L=39
OD=6,L=11
33111UPIN, RING(FOR MANUAL TRANSMISSION CASE)
L=12,OD=13
33111XGASKET, TRANSMISSION CASE PLUG
main90430-18007iTT132..LHD..4F;TT132..RHD..MTM;RT13#,TT133..MTM;TT132..(HT,LB)..LHD..5F198108-198301
sub90430-18008
33116GASKET, MANUAL TRANSMISSION CASE
33118PLATE, STIFFENER, RH(MTM)
33131ASEAL, OIL(FOR TRANSMISSION FRONT BEARING RETAINER)
33138GASKET, INTERMEDIATE PLATE
33151RETAINER, OUTPUT SHAFT REAR BEARING(MTM)
9011912010
main90119-12010
9161140818
main91611-40818
9161160616
main91611-60616
9161161028
main91611-61028
9161161040
main91611-61040
9161161045
main91611-61045
9161961250
main91619-61250
9322018020
main93220-18020
24 parts on this diagram · 5 diagrams in section