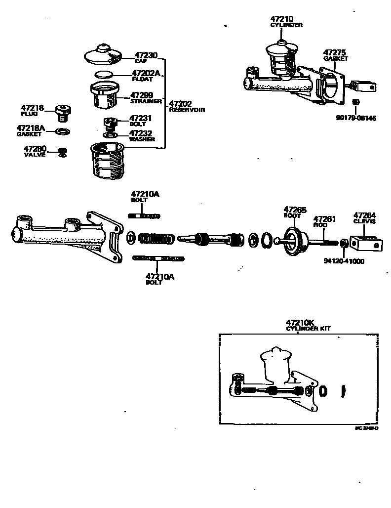
BRAKE MASTER CYLINDER

47202AFLOAT, MASTER CYLINDER RESERVOIR
SINGLE,L/BOOSTER
47210CYLINDER ASSY, MASTER, W/O BOOSTER
SINGLE,L/BOOSTER
SINGLE,L/BOOSTER
DRUM TANDEM
DRUM TANDEM
13IN.DISC
FRONT DISC
sub47201-20131
sub47201-20151
FOR FRONT DISC
47210ABOLT OR STUD BOLT(FOR BRAKE MASTER CYLINDER SETTING)
L=39,SINGLE,L/BOOSTER
L=55,SINGLE,L/BOOSTER
47210KCYLINDER KIT, BRAKE MASTER
SINGLE,L/BOOSTER
sub04493-20080
FRONT DISC
FRONT DRUM,TAXI SPEC.
FRONT DRUM
47218AGASKET(FOR FLUID OUTLET PLUG)
TANDEM
47230CAP ASSY, BRAKE MASTER CYLINDER RESERVOIR FILLER
DRUM TANDEM
47231BOLT, BRAKE MASTER CYLINDER RESERVOIR SET
47232WASHER, BRAKE RESERVOIR SET BOLT
47261ROD, MASTER CYLINDER PUSH
47264CLEVIS, MASTER CYLINDER PUSH ROD
47265BOOT, MASTER CYLINDER
TANDEM
SINGLE,L/BOOSTER
47299STRAINER, BRAKE MASTER CYLINDER RESERVOIR
DRUM,TAXI SPEC.
DRUM TANDEM
9017908146
main90179-08146
9412041000
main94120-41000
18 parts on this diagram · 3 diagrams in section