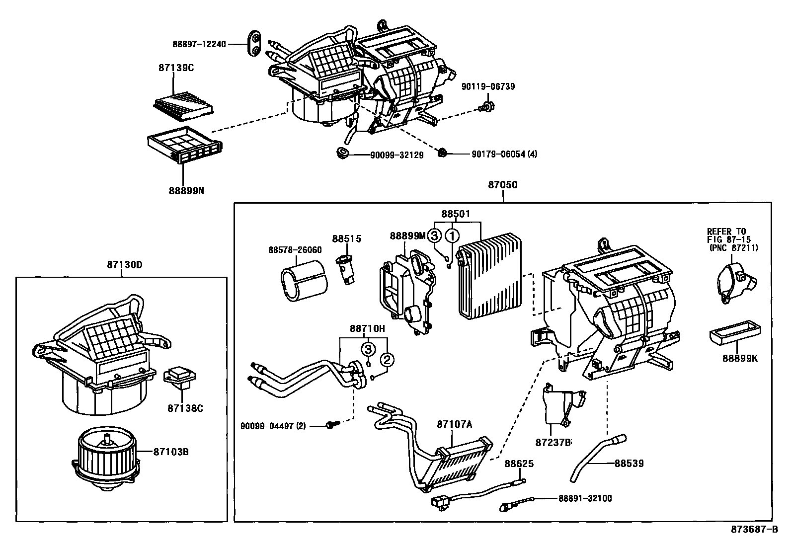
HEATING & AIR CONDITIONING - COOLER UNIT

87050RADIATOR ASSY, AIR CONDITIONER
87107AUNIT SUB-ASSY, HEATER RADIATOR
87130DBLOWER ASSY
87138CRESISTOR, BLOWER
87139CFILTER, CLEAN AIR
8715
87237BCOVER, HEATER PIPING
88501EVAPORATOR SUB-ASSY, COOLER, NO.1
88539HOSE, COOLER UNIT DRAIN, NO.1
88625THERMISTOR, COOLER, NO.1
88710HTUBE & ACCESSORY ASSY, AIR CONDITIONER
88899KPLATE, COVER
88899MPLATE, COVER(FOR AIR FILTER)
W(AIR CONDITIONER)
88899NPLATE, COVER
8857826060PAKING, COOLER AIR DUCT
main88578-26060
8889132100PACKING (FOR COOLER)
main88891-32100
8889712240VALVE, COOLER MAGNET
main88897-12240
9009904497
main90099-04497
9009932129
main90099-32129
9011906739
main90119-06739
9017906054
main90179-06054
23 parts on this diagram · 4 diagrams in section