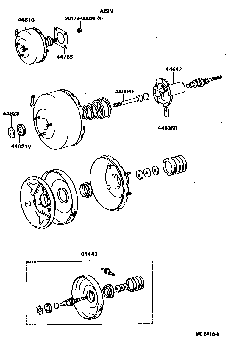
BRAKE BOOSTER & VACUUM TUBE

04443BOOSTER KIT, BRAKE
44606EROD SUB-ASSY, BRAKE BOOSTER PISTON
44610BOOSTER ASSY, BRAKE
44621VSEAL, BOOSTER BODY
44629RING, CIRCULAR INTERNAL
44635BKEY, VALVE STOPPER
44642PISTON, BRAKE BOOSTER
44785GASKET, BRAKE BOOSTER
9017908038
main90179-08038
9 parts on this diagram · 5 diagrams in section