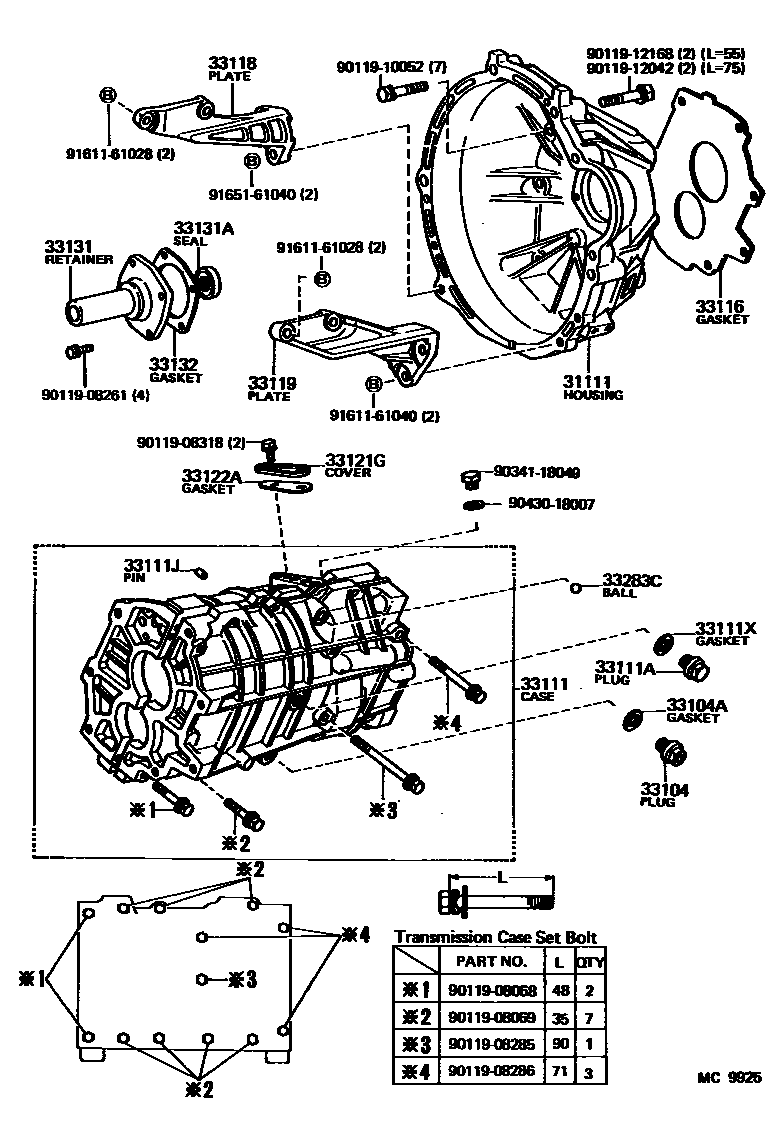
CLUTCH HOUSING & TRANSMISSION CASE (MTM)

31111HOUSING, CLUTCH
33104PLUG SUB-ASSY, DRAIN(MTM)
33111APLUG, MANUAL TRANSMISSION CASE
33111JPIN, STRAIGHT(FOR MANUAL TRANSMISSION CASE)
L=16,OD=12,L=16
L=16,OD=12
L=17,OD=12,L=17
33116GASKET, MANUAL TRANSMISSION CASE
33118PLATE, STIFFENER, RH(MTM)
33121GCOVER, MANUAL TRANSMISSION CASE
33122AGASKET, MANUAL TRANSMISSION CASE COVER
33131ASEAL, OIL(FOR TRANSMISSION FRONT BEARING RETAINER)
33132GASKET, FRONT BEARING RETAINER(MTM)
33283CBALL, REVERSE RESTRICT
9011908068
main90119-08068
9011908069
main90119-08069
9011908261
main90119-08261
9011908285
main90119-08285
9011908286
main90119-08286
9011908318
main90119-08318
9011910052
main90119-10052
9011912042
main90119-12042
9011912168
main90119-12168
9034118049
main90341-18049
9043018007
main90430-18007
9161161028
main91611-61028
9161161040
main91611-61040
9165161040
main91651-61040
30 parts on this diagram · 5 diagrams in section