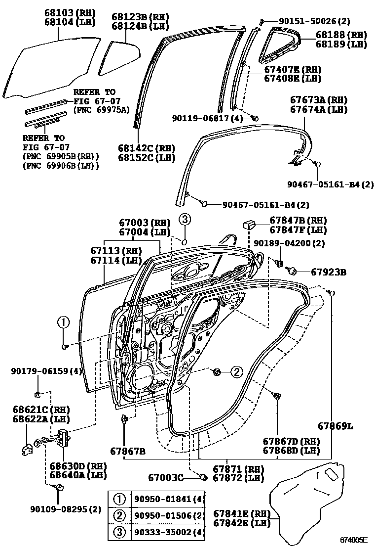
REAR DOOR PANEL & GLASS

67003PANEL SUB-ASSY, REAR DOOR, RH
67003CCUSHION, REAR DOOR PANEL
67004PANEL SUB-ASSY, REAR DOOR, LH
6707
67113PANEL, REAR DOOR, OUTER RH
67114PANEL, REAR DOOR, OUTER LH
67407EBAR SUB-ASSY, REAR DOOR WINDOW DIVISION, RH
67408EBAR SUB-ASSY, REAR DOOR WINDOW DIVISION, LH
67673AGARNISH, REAR DOOR FRAME, RH
67674AGARNISH, REAR DOOR FRAME, LH
67841ECOVER, REAR DOOR SERVICE HOLE, RH
67842ECOVER, REAR DOOR SERVICE HOLE, LH
67847BSEAL, REAR DOOR VENT, RH NO.1
67847FSEAL, REAR DOOR VENT, LH
67867BCLIP, DOOR WEATHERSTRIP(FOR REAR DOOR)
67867DRETAINER, REAR DOOR WEATHERSTRIP, RH
67868DRETAINER, REAR DOOR WEATHERSTRIP, LH
67869LCLIP, REAR DOOR WEATHERSTRIP
67871WEATHERSTRIP, REAR DOOR, RH
67872WEATHERSTRIP, REAR DOOR, LH
67923BCUSHION, REAR DOOR STIFFENER, NO.1
68103GLASS SUB-ASSY, REAR DOOR, RH
*UVCT,T=3.1,GREEN,CROATIA SPEC&FB PACKAGE
*UVCT,T=3.1,GREEN
*UVCT,T=3.1,GREEN,RUSSIA SPEC
*UVCT,T=3.1,GREEN,HONG KONG SPEC
*UVCT,T=3.1,GREEN,CROATIA SPEC&LUXURY PACKAGE
*UVCT,T=3.1,C.GREEN,LUXURY PACKAGE
*UVCT,T=3.1,C.GREEN
*UVCT,T=3.1,C.GREEN,SPORT PACKAGE
68104GLASS SUB-ASSY, REAR DOOR, LH
*UVCT,T=3.1,GREEN
*UVCT,T=3.1,GREEN,CROATIA SPEC&FB PACKAGE
*UVCT,T=3.1,GREEN,CROATIA SPEC&LUXURY PACKAGE
*UVCT,T=3.1,GREEN,RUSSIA SPEC
*UVCT,T=3.1,GREEN,HONG KONG SPEC
*UVCT,T=3.1,C.GREEN,SPORT PACKAGE
*UVCT,T=3.1,C.GREEN
*UVCT,T=3.1,C.GREEN,LUXURY PACKAGE
68123BGLASS, REAR DOOR QUARTER WINDOW, RH
*UVCT,T=3.1,GREEN,HONG KONG SPEC
*UVCT,T=3.1,GREEN
*UVCT,T=3.1,GREEN,RUSSIA SPEC
*UVCT,T=3.1,GREEN,CROATIA SPEC&FB PACKAGE
*UVCT,T=3.1,GREEN,CROATIA SPEC&LUXURY PACKAGE
*UVCT,T=3.1,C.GREEN,SPORT PACKAGE
*UVCT,T=3.1,C.GREEN,LUXURY PACKAGE
*UVCT,T=3.1,C.GREEN
68124BGLASS, REAR DOOR QUARTER WINDOW, LH
*UVCT,T=3.1,GREEN
*UVCT,T=3.1,GREEN,CROATIA SPEC&FB PACKAGE
*UVCT,T=3.1,GREEN,CROATIA SPEC&LUXURY PACKAGE
*UVCT,T=3.1,GREEN,RUSSIA SPEC
*UVCT,T=3.1,GREEN,HONG KONG SPEC
*UVCT,T=3.1,C.GREEN,LUXURY PACKAGE
*UVCT,T=3.1,C.GREEN
*UVCT,T=3.1,C.GREEN,SPORT PACKAGE
68142CRUN, REAR DOOR GLASS, RH
68152CRUN, REAR DOOR GLASS, LH
68188WEATHERSTRIP, REAR DOOR QUARTER WINDOW, RH
68189WEATHERSTRIP, REAR DOOR QUARTER WINDOW, LH
68621CCOVER, REAR DOOR CHECK, RH
68622ACOVER, REAR DOOR CHECK, LH
9010908295
main90109-08295
9011906817
main90119-06817
9015150026
main90151-50026
9017906159
main90179-06159
9018904200
main90189-04200
9033335002
main90333-35002
9046705161B4
main90467-05161B4
9095001506
main90950-01506
9095001841
main90950-01841
42 parts on this diagram · 2 diagrams in section