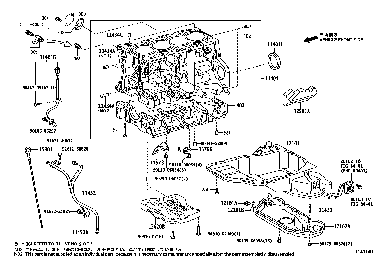
CYLINDER BLOCK

11401GSENSOR, CRANK POSITION
11421BOLT, STUD(FOR OIL PAN)
11434APIN, STRAIGHT(FOR TIMING GEAR COVER SET)
L=12,OD=4.0
L=18,OD=8,NO.1
L=36,OD=10,NO.2
11434CPIN, STRAIGHT (FOR CYLINDER HEAD SET)
L=15,OD=8
L=18,OD=8
11452GUIDE, OIL LEVEL GAGE
11452BRING, O(FOR OIL LEVEL GAGE GUIDE)
11573PLATE, OIL REFLECTOR
12101APLUG(FOR OIL PAN DRAIN)
12101BGASKET(FOR OIL PAN DRAIN PLUG)
12102APAN SUB-ASSY, OIL, NO.2
12581AINSULATOR, CYLINDER BLOCK, NO.1
15301GAGE SUB-ASSY, OIL LEVEL
8401
9010506297
main90105-06297
9011006034
main90110-06034
9011906938
main90119-06938
9017906326
main90179-06326
9025006027
main90250-06027
9034452004
main90344-52004
9046705162C0
main90467-05162C0
9091002160
main90910-02160
9091002161
main90910-02161
9167180614
main91671-80614
9167180820
main91671-80820
9167281025
main91672-81025
30 parts on this diagram · 3 diagrams in section