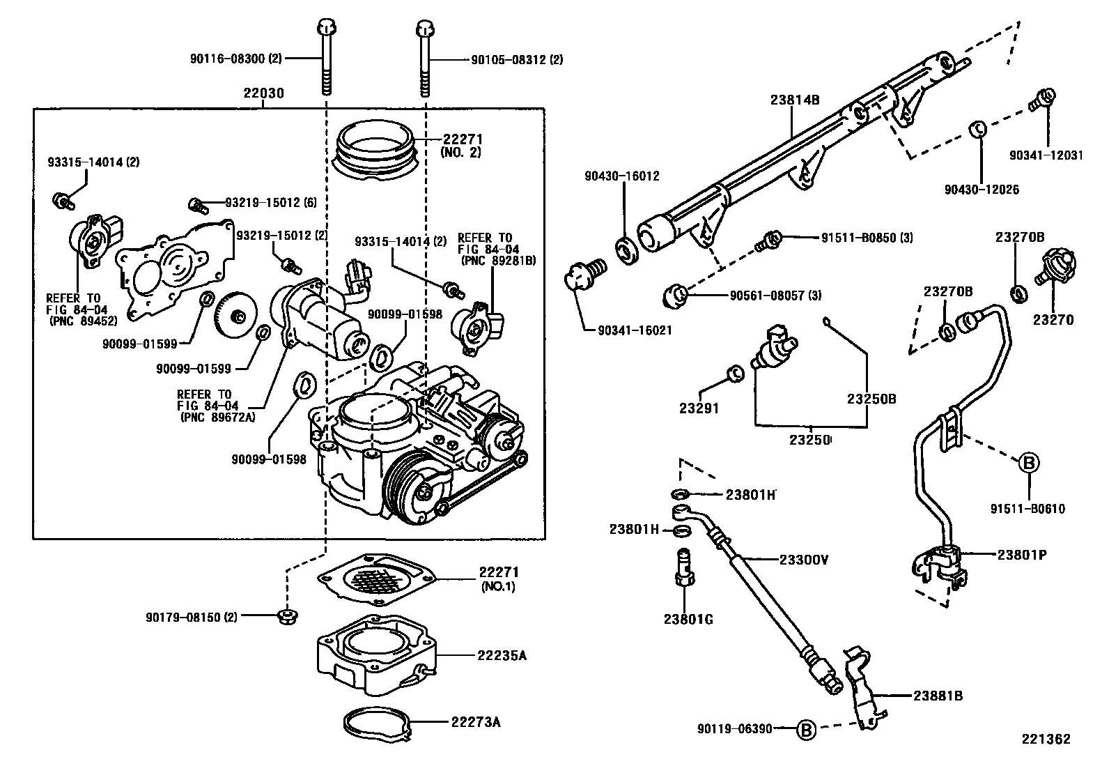
FUEL INJECTION SYSTEM

22235AINLET, AUXILIARY AIR
22271GASKET, THROTTLE BODY
NO.1
NO.2
22273AGASKET, THROTTLE BODY, NO.2
23250BRING, O(FOR FUEL INJECTOR)
23270BGASKET(FOR PULSATION DAMPER HOSE)
NO.2
NO.1
23291INSULATOR, INJECTOR VIBRATION
23300VHOSE, FUEL(FOR FUEL INLET)
23801GBOLT, UNION(FOR FUEL PIPE)
23801HGASKET(FOR FUEL PIPE)
23801PPIPE SUB-ASSY, FUEL, NO.1
23881BBRACKET, FUEL HOSE
8404
9009901598
main90099-01598
9009901599
main90099-01599
9010508312
main90105-08312
9011608300
main90116-08300
9011906390
main90119-06390
9017908150
main90179-08150
9034112031
main90341-12031
9034116021
main90341-16021
9043012026
main90430-12026
9043016012
main90430-16012
9056108057
main90561-08057
91511B0610
main91511-B0610
91511B0850
main91511-B0850
9321915012
main93219-15012
9331514014
main93315-14014
31 parts on this diagram · 4 diagrams in section