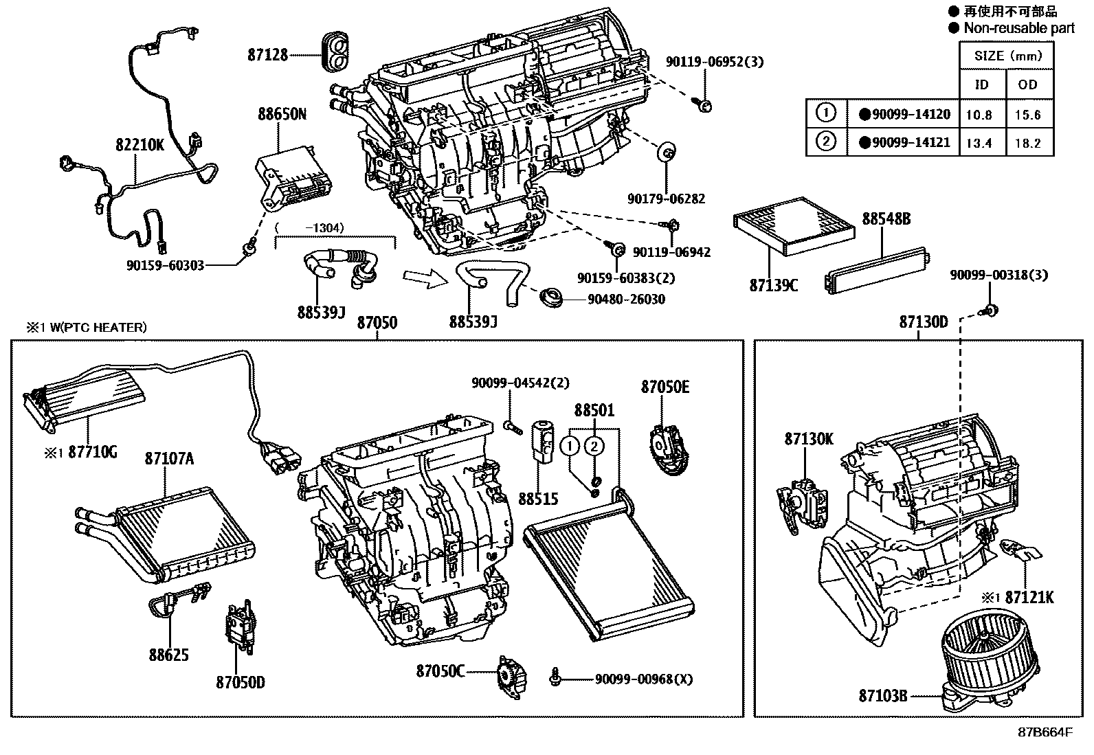
HEATING & AIR CONDITIONING - COOLER UNIT

82210KHARNESS ASSY, AIR CONDITIONER
87050RADIATOR ASSY, AIR CONDITIONER
COLD AREA SPEC
87050CDAMPER SERVO SUB-ASSY, AIR CONDITIONER RADIATOR, NO.1
87050DDAMPER SERVO SUB-ASSY, AIR CONDITIONER RADIATOR, NO.2
87050EDAMPER SERVO SUB-ASSY, AIR CONDITIONER RADIATOR, NO.3
87103BMOTOR SUB-ASSY, BLOWER W/FAN
87107AUNIT SUB-ASSY, HEATER RADIATOR
87128GROMMET, HEATER
87130DBLOWER ASSY
COLD AREA SPEC
87130KDAMPER SERVO SUB-ASSY, BLOWER, NO.1
87139CFILTER, CLEAN AIR
MICRO DUST FILTER,OE PART
POLLEN DEODORANT
MICRO DUST FILTER,OE PART
87710GQUICK HEATER ASSY
88501EVAPORATOR SUB-ASSY, COOLER, NO.1
88515VALVE, COOLER EXPANSION
88539JHOSE, DRAIN COOLER
88625THERMISTOR, COOLER, NO.1
88650NAMPLIFIER ASSY, AIR CONDITIONER
sub88650-76610
COLD AREA SPEC
COLD AREA SPEC
COLD AREA SPEC&INTERMITTENT WIPER-AUTO&AUDIO-AM/FM & DVD & EMV & 10SPEAKER
WINDSHIELD DEICER-WITH
WINDSHIELD DEICER-WITH
COLD AREA SPEC&INTERMITTENT WIPER-AUTO&AUDIO-AM/FM & CD & *DA & 10SPEAKER
WINDSHIELD DEICER-WITH
WINDSHIELD DEICER-WITH
COLD AREA SPEC&INTERMITTENT WIPER-AUTO&AUDIO-AM/FM & DVD & EMV & 10SPEAKER
WINDSHIELD DEICER-WITH
WINDSHIELD DEICER-WITH
COLD AREA SPEC&INTERMITTENT WIPER-AUTO&AUDIO-AM/FM & DVD & EMV & 10SPEAKER
WINDSHIELD DEICER-WITH
WINDSHIELD DEICER-WITH
9009900318
main90099-00318
9009900968
main90099-00968
9009904542
main90099-04542
9009914120
main90099-14120
9009914121
main90099-14121
9011906942
main90119-06942
9011906952
main90119-06952
9015960303
main90159-60303
9015960383
main90159-60383
9017906282
main90179-06282
9048026030
main90480-26030
30 parts on this diagram · 2 diagrams in section