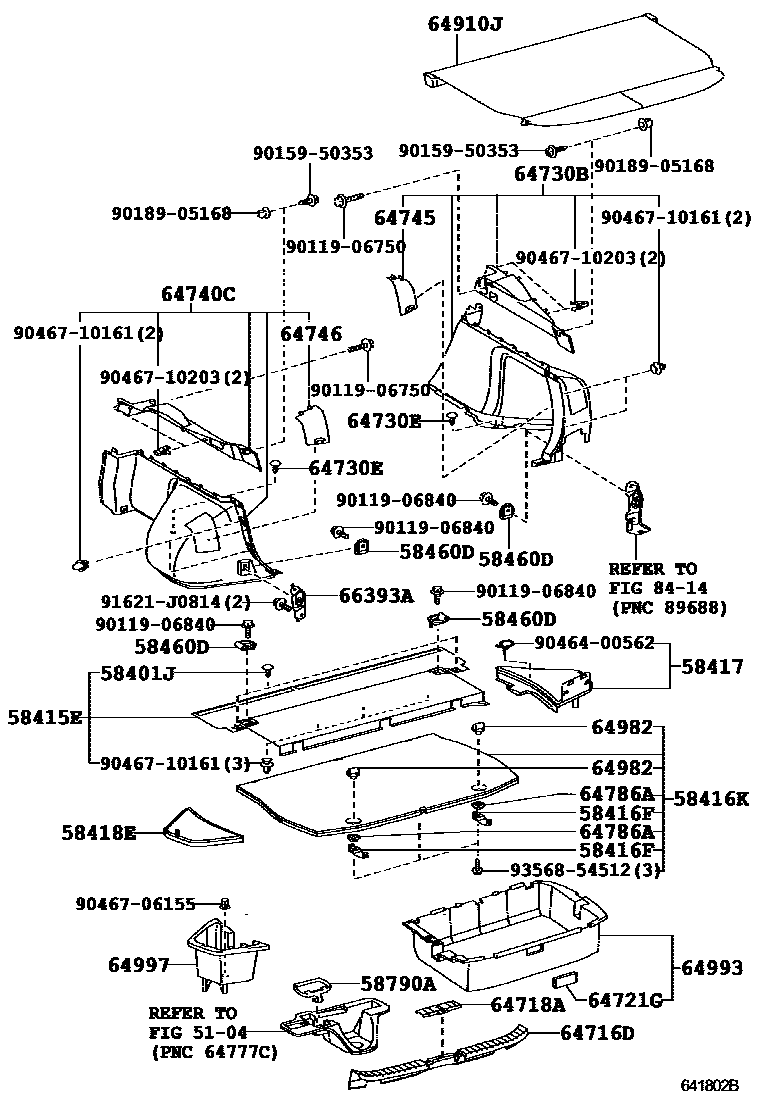
DECK BOARD & DECK TRIM COVER

5104
58401JCLIP(FOR DECK BOAD)
58415EBOARD, REAR FLOOR, NO.1
MD.GRAY,TRIM1#
58416FBRACKET, DECK BOARD, NO.1
58416KBOARD, REAR FLOOR, NO.2
MD.GRAY,TRIM1#
58417BOARD, REAR FLOOR, NO.3
58418EBOARD, REAR FLOOR, NO.4
58460DSTRIKER ASSY, LUGGAGE HOLD BELT
58790ACARRIER ASSY, JACK
64716DCOVER, DECK TRIM, REAR
64718ACOVER, DECK TRIM SERVICE HOLE
64721GCOVER, DECK TRIM, NO.1
64730BPANEL ASSY, DECK TRIM SIDE, RH
GRAY,TRIM1#
64730ECLIP(FOR DECK TRIM SIDE BOARD)
64740CPANEL ASSY, DECK TRIM SIDE, LH
GRAY,TRIM1#
64745COVER, REAR COMBINATION LAMP SERVICE, RH
64746COVER, REAR COMBINATION LAMP SERVICE, LH
64786APLATE, JACK COVER
64910JCOVER ASSY, TONNEAU
64982KNOB, COVER
64993BOX, DECK FLOOR, REAR
64997BOX, DECK FLOOR, LH
66393ABRACKET, ROPE HOOK, NO.1 LH
8414
9011906750
9011906840
9015950353
9018905168
9046400562
9046706155
9046710161
9046710203
91621J0814
9356854512
34 parts on this diagram · 1 diagram in section