E
EPC Data

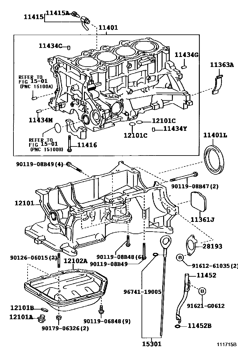
CYLINDER BLOCK

Parts diagram
11361JCOVER, FLYWHEEL HOUSING UNDER
main11361-21010i200005-200105
main11361-21011i200105
11363ACOVER, FLYWHEEL HOUSING SIDE
main11363-21010i200005
11401BLOCK SUB-ASSY, CYLINDER
main11401-29685i200005-200008
main11401-29686i200008-200212
main11401-29687i200212
11401LSEAL, ENGINE REAR OIL
main90311-75016i200005-200305
11415COCK SUB-ASSY, WATER DRAIN(FOR CYLINDER BLOCK)
main90910-09107i200005-200305
11415APLUG, WATER DRAIN COCK(FOR CYLINDER BLOCK)
main90910-09087i200005-200305
11416BOLT(FOR CRANKSHAFT BEARING CAP SET)
main90910-02125i200005-200305
11434CPIN, STRAIGHT (FOR CYLINDER HEAD SET)
main90250-08120i200005-200305
L=18,OD=8
11434GPIN, STRAIGHT(FOR END PLATE)
main90250-10113i200005-200305
11434MPIN, STRAIGHT(FOR CHAIN TENSIONER)
main90250-10030i200005-200305
11434YPIN, STRAIGHT(FOR OIL PAN)
main90250-08120i200005-200305
11452GUIDE, OIL LEVEL GAGE
main11452-21020i200005-200007
main11452-21021i200007-200305
11452BRING, O(FOR OIL LEVEL GAGE GUIDE)
main96721-19010i200005-200305
12101PAN SUB-ASSY, OIL
main12111-21050i200005-200104
main12111-21051i200104-200305
12101APLUG(FOR OIL PAN DRAIN)
main90341-12012i200210-200305
main90341-12026i200005-200210
12101BGASKET(FOR OIL PAN DRAIN PLUG)
main90430-12031i200005-200305
12101CRING, O(FOR OIL PAN)
main96722-24020i200005-200305
12102APAN SUB-ASSY, OIL, NO.2
main12102-21010i200005-200305
1501
15301GAGE SUB-ASSY, OIL LEVEL
main15301-21020i200005-200305
28193INSULATOR, STARTER HOLE
main28193-21010i200008
9011906848
9011908B47
9011908B48
9011908B49
9012606015
9017906326
9161261035
91621G0612
9674119005

30 parts on this diagram · 1 diagram in section

CYLINDER BLOCK — Toyota Parts Diagram with OEM Numbers & Prices | EPC Data