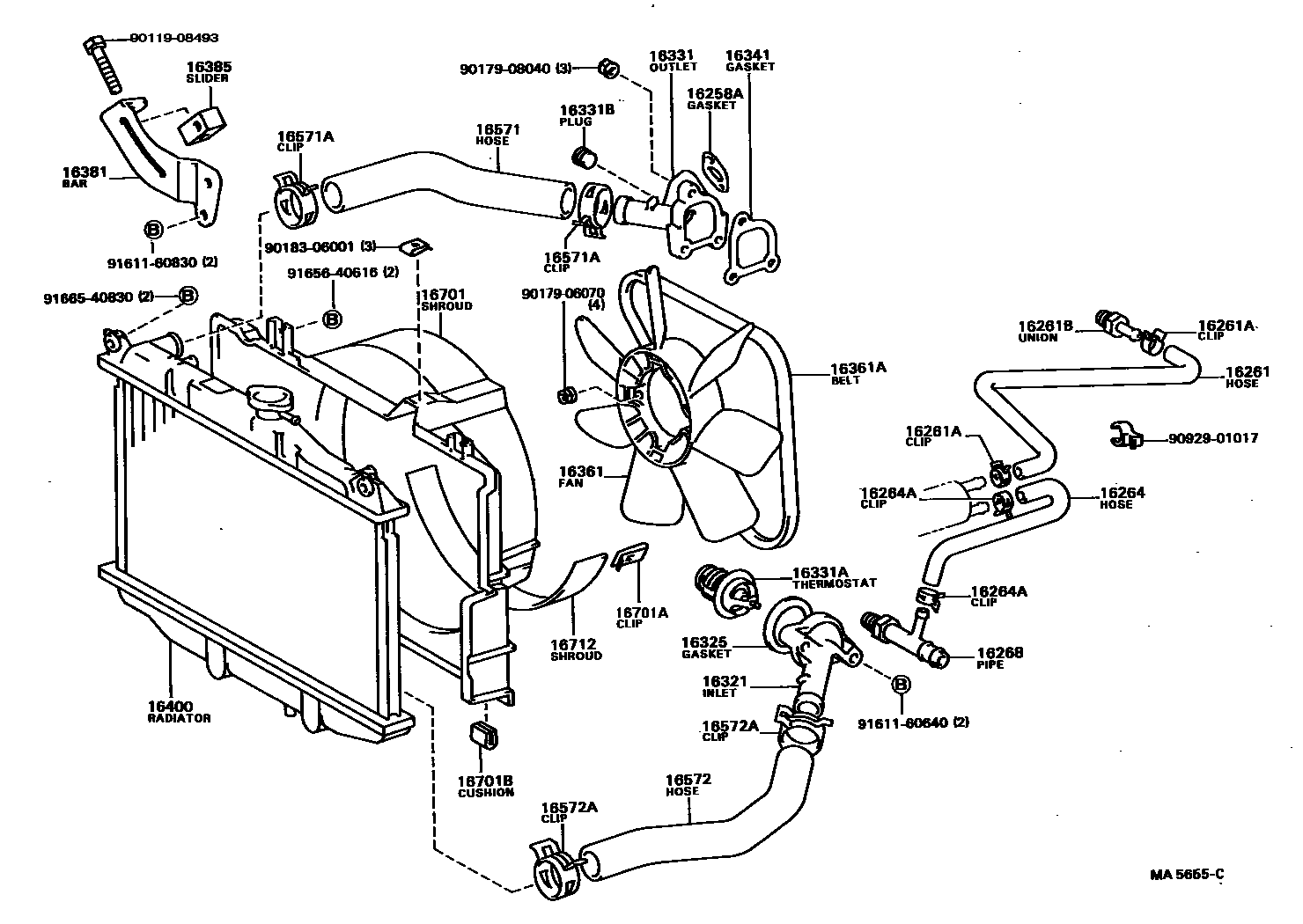
RADIATOR & WATER OUTLET

16258AGASKET(FOR HEATER RETURN)
sub16258-64020
16261HOSE, WATER BY-PASS
16261BUNION(FOR WATER BY-PASS HOSE)
16264HOSE, WATER BY-PASS, NO.2
16264ACLAMP OR CLIP(FOR WATER BY-PASS HOSE NO.2)
16268PIPE, WATER BY-PASS, NO.1
sub16268-64020
16321INLET, WATER
16325GASKET, WATER INLET HOUSING, NO.1
sub16325-63011
16331ATHERMOSTAT
*WAX 82-95,*WAX 82-95
16331BPLUG(FOR WATER OUTLET)
16361FAN
16381BAR, FAN BELT ADJUSTING
16385SLIDER, FAN BELT ADJUSTING
16571HOSE, RADIATOR, INLET
16571ACLAMP OR CLIP, HOSE(FOR RADIATOR INLET)
sub90467-37003
16572HOSE, RADIATOR, OUTLET
16701ACLIP(FOR FAN SHROUD)
W/COOLER
16701BCUSHION, FAN SHROUD
16712SHROUD, FAN, NO.2
W/COOLER
W/COOLER
9011908493
main90119-08493
9017906070
main90179-06070
9017908040
main90179-08040
9018306001
main90183-06001
9092901017
main90929-01017
9161160640
main91611-60640
9161160830
main91611-60830
9165640616
main91656-40616
9166540830
main91665-40830
35 parts on this diagram · 3 diagrams in section