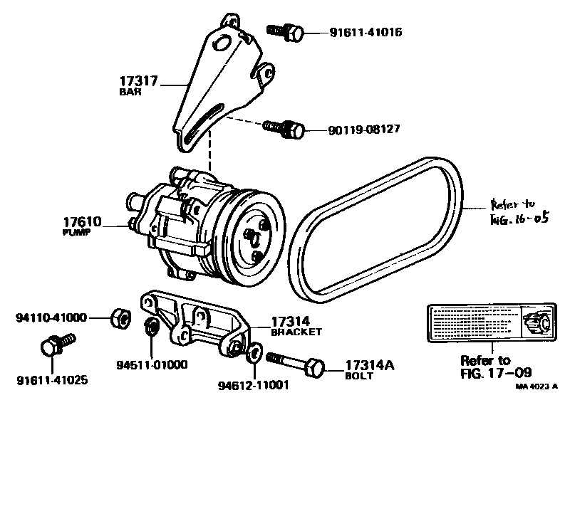
AIR PUMP

1605V-BELT
1709CAUTION PLATE & NAME PLATE (ENGINE)
17314BRACKET, AIR PUMP
17314ABOLT, HEXAGON(FOR AIR PUMP BRACKET SETTING)
17317BAR, AIR PUMP ADJUSTING, NO.1
17610PUMP ASSY, AIR
9011908127
main90119-08127
9161141016
main91611-41016
9161141025
main91611-41025
9411041000
main94110-41000
9451101000
main94511-01000
9461211001
main94612-11001
12 parts on this diagram · 1 diagram in section