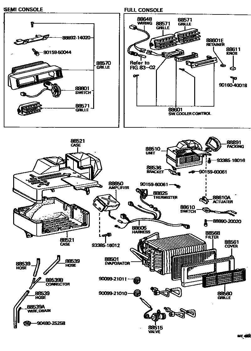
HEATING & AIR CONDITIONING - COOLER UNIT

8302
88510UNIT ASSY, COOLER
88521CASE, COOLER UNIT
UPPER
LOWER
UPPER
LOWER
88536BRACKET, COOLING UNIT, NO.1
88539HOSE, COOLER UNIT DRAIN, NO.1
88539AWIRE, DRAIN HOSE(FOR COOLER)
88539BCONNECTOR, COOLER DRAIN HOSE
88560GRILLE ASSY, COOLER AIR INLET
88561COVER, COOLER UNIT
88568FILTER, COOLER UNIT COVER
88570GRILLE SUB-ASSY, COOLER AIR OUTLET
88601SWITCH SUB-ASSY, COOLER CONTROL
L/BOOST VENTILATOR
L/BOOST VENTILATOR
88601ERETAINER, COOLER CONTROL SWITCH LEVER
88605HARNESS SUB-ASSY, COOLER WIRING, NO.1
W/BOOST VENTILATOR
88610AACTUATER (FOR COOLER CONTROL SWITCH)
88648WIRING, COOLER, NO.1
88650AMPLIFIER ASSY, COOLER STABILIZER
W/BOOST VENTILATOR
W/BOOST VENTILATOR
88891PACKING (FOR COOLER)
8889020020PUMP ASSY, BRINE W/BRACKET
main88890-20020
8889214020BRACKET, COOLER EVAPORATOR MOUNTING
main88892-14020
9009921010
main90099-21010
9009921011
main90099-21011
9015950044
main90159-50044
9015960061
main90159-60061
9016040018
main90160-40018
9048025258
main90480-25258
9338516012
main93385-16012
9338516016
main93385-16016
34 parts on this diagram · 2 diagrams in section