SWITCH & RELAY & COMPUTER

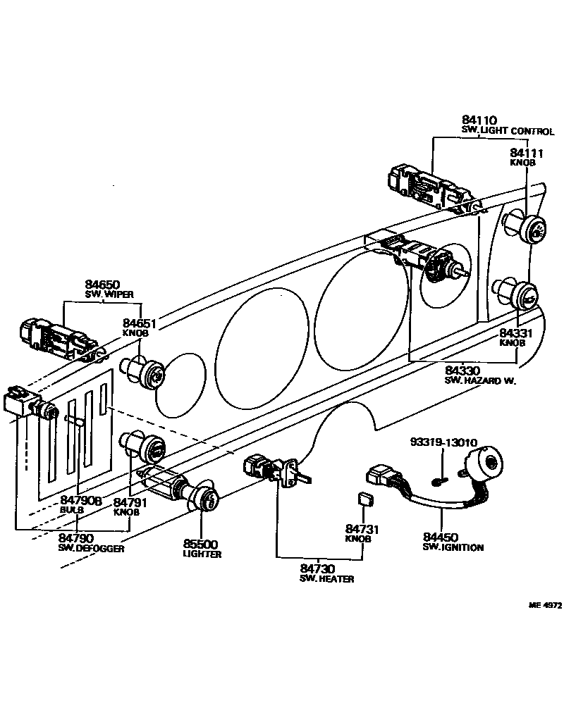
84111KNOB, LIGHT CONTROL SWITCH
FOR HEADLAMP CLEANER
84331KNOB, HAZARD WARNING SIGNAL SWITCH
WEST GERMANY SPEC.
84450SWITCH ASSY, IGNITION OR STARTER
84730SWITCH ASSY, HEATER BLOWER
84790BBULB(FOR REAR WINDOW DEFOGGER SWITCH)
12V 1.5W
12V 1.2W W/O SOCKET,12V 1.4W
9331913010
main93319-13010
14 parts on this diagram · 9 diagrams in section