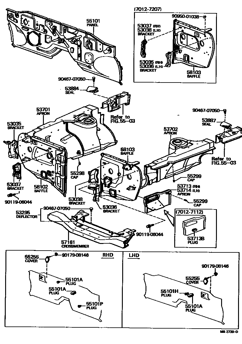
FRONT FENDER APRON & DASH PANEL

53035BRACKET SUB-ASSY, HEADLAMP, OUTER RH
53036BRACKET SUB-ASSY, HEADLAMP, OUTER LH
53037BRACKET SUB-ASSY, HEADLAMP, INNER RH
53038BRACKET SUB-ASSY, HEADLAMP, INNER LH
53295DEFLECTOR, RADIATOR LOWER AIR
53701APRON SUB-ASSY, FRONT FENDER, RH
53702APRON SUB-ASSY, FRONT FENDER, LH
53713APRON, FENDER SIDE, RH
53713BPLUG, HOLE(FOR FENDER SIDE APRON)
53884SEAL, FRONT FENDER SPLASH SHIELD, RH
53887SEAL, FRONT FENDER SPLASH SHIELD, LH
5503
55101APLUG, HOLE, NO.1(FOR DASH PANEL)
OD=13
L/HEATER OD=30X60
55101HPLUG, HOLE, NO.2(FOR DASH PANEL)
OD=6
55101PPLUG, HOLE, NO.4(FOR DASH PANEL)
OD=7
55255COVER, CLUTCH MASTER CYLINDER HOLE
55298CAP, TEE NUT(FOR 8MM)
55299CAP, TEE NUT(FOR 6MM)
57161CROSSMEMBER, FRONT
58102BAFFLE SUB-ASSY, RADIATOR SIDE, RH
58103BAFFLE SUB-ASSY,RADIATOR SIDE, LH
9011906044
main90119-06044
9017908146
main90179-08146
9046707050
main90467-07050
9095001038
main90950-01038
27 parts on this diagram · 2 diagrams in section