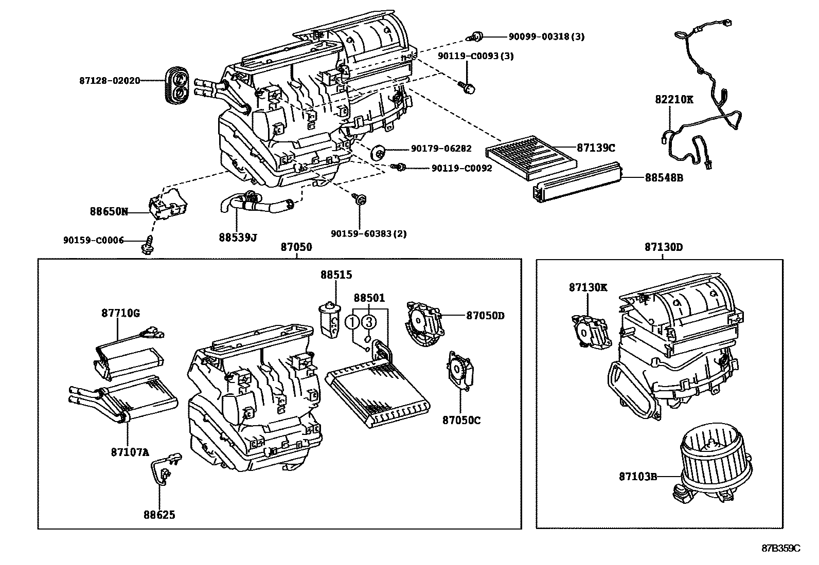
HEATING & AIR CONDITIONING - COOLER UNIT

82210KHARNESS ASSY, AIR CONDITIONER
87050RADIATOR ASSY, AIR CONDITIONER
87050CDAMPER SERVO SUB-ASSY, AIR CONDITIONER RADIATOR, NO.1
87050DDAMPER SERVO SUB-ASSY, AIR CONDITIONER RADIATOR, NO.2
87103BMOTOR SUB-ASSY, BLOWER W/FAN
87107AUNIT SUB-ASSY, HEATER RADIATOR
87130DBLOWER ASSY
87130KDAMPER SERVO SUB-ASSY, BLOWER, NO.1
87710GQUICK HEATER ASSY
88501EVAPORATOR SUB-ASSY, COOLER, NO.1
88515VALVE, COOLER EXPANSION
88539JHOSE, DRAIN COOLER
88548BCASE, AIR FILTER
88625THERMISTOR, COOLER, NO.1
88650NAMPLIFIER ASSY, AIR CONDITIONER
8712802020GROMMET, HEATER
main87128-02020
9009900318
main90099-00318
90119C0092
main90119-C0092
90119C0093
main90119-C0093
9015960383
main90159-60383
90159C0006
main90159-C0006
9017906282
main90179-06282
23 parts on this diagram · 2 diagrams in section