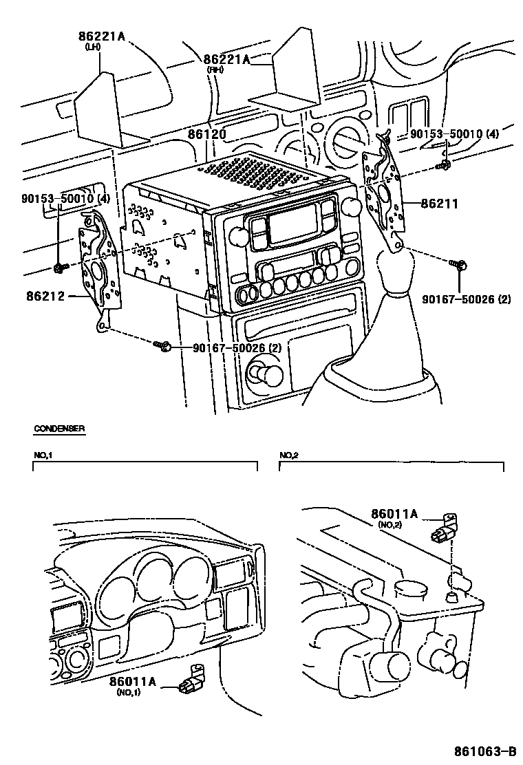
RADIO RECEIVER & AMPLIFIER & CONDENSER

86011ACONDENSER, RADIO SETTING
NO.1
NO.2
86120RECEIVER ASSY, RADIO
FUJITSU TEN,ID=18303,TYPE A:REFER TO ILLUSTRATION
MATSUSHITA, ID=58803,TYPE B:REFER TO ILLUSTRATION
sub86120-28382
FUJITSU TEN,ID=18302,TYPE A:REFER TO ILLUSTRATION
MATSUSHITA,ID=58806,TYPE B:REFER TO ILLUSTRATION
86211BRACKET, RADIO, NO.1
86212BRACKET, RADIO, NO.2
86221APANEL, RADIO RECEIVER
RH
LH
LH
9015350010
main90153-50010
9016750026
main90167-50026
7 parts on this diagram · 2 diagrams in section