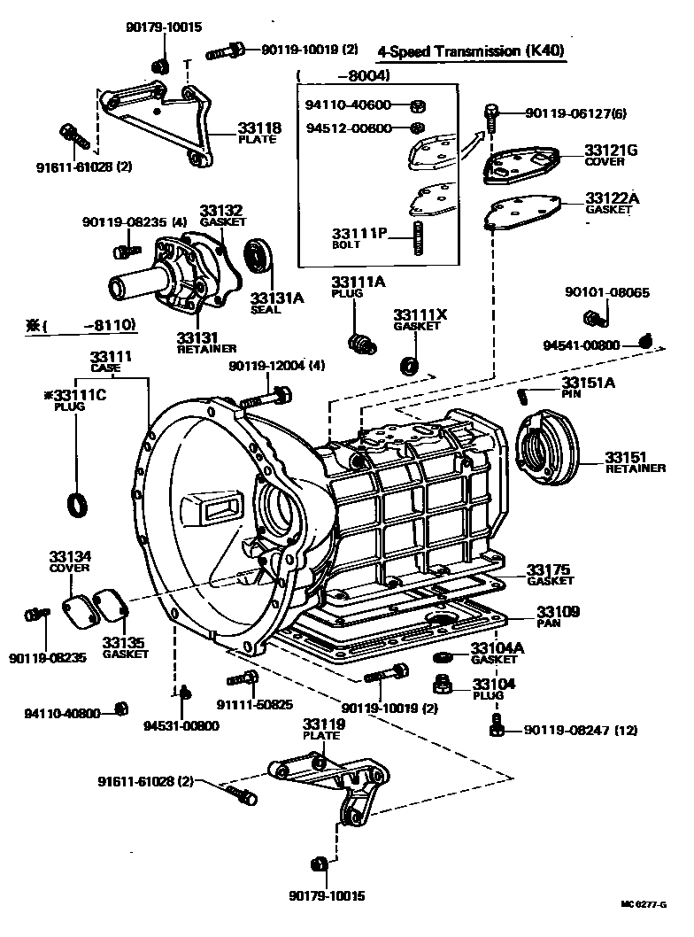
CLUTCH HOUSING & TRANSMISSION CASE (MTM)

33104PLUG SUB-ASSY, DRAIN(MTM)
33109PAN SUB-ASSY, TRANSMISSION OIL(MTM)
sub33109-12012
33111APLUG, MANUAL TRANSMISSION CASE
33111PBOLT, STUD(FOR TRANSMISSION CASE COVER SETTING)
33119PLATE, STIFFENER, LH(MTM)
33121GCOVER, MANUAL TRANSMISSION CASE
33122AGASKET, MANUAL TRANSMISSION CASE COVER
33131ASEAL, OIL(FOR TRANSMISSION FRONT BEARING RETAINER)
main90311-25003iKE70..CP..5F;AE71,TE7#..MTM;KE70..CP..LHD..4F;KE70..(DV,LB,SED,WG)..MTM197908-198707
33132GASKET, FRONT BEARING RETAINER(MTM)
T=0.5
T=0.3
33134COVER, TRANSMISSION COUNTERSHAFT
33135GASKET, COUNTERSHAFT COVER(MTM)
33151RETAINER, OUTPUT SHAFT REAR BEARING(MTM)
33151APIN, SLOTTED SPRING(FOR OUTPUT SHAFT REAR BEARING RETAINER)
33175GASKET, MANUAL TRANSMISSION OIL PAN
9010108065
main90101-08065
9011906127
main90119-06127
9011908235
main90119-08235
9011908247
main90119-08247
9011910019
main90119-10019
9011912004
main90119-12004
9017910015
main90179-10015
9111150825
main91111-50825
9161161028
main91611-61028
9411040600
main94110-40600
9411040800
main94110-40800
9451200600
main94512-00600
9453100800
main94531-00800
9454100800
main94541-00800
34 parts on this diagram · 6 diagrams in section