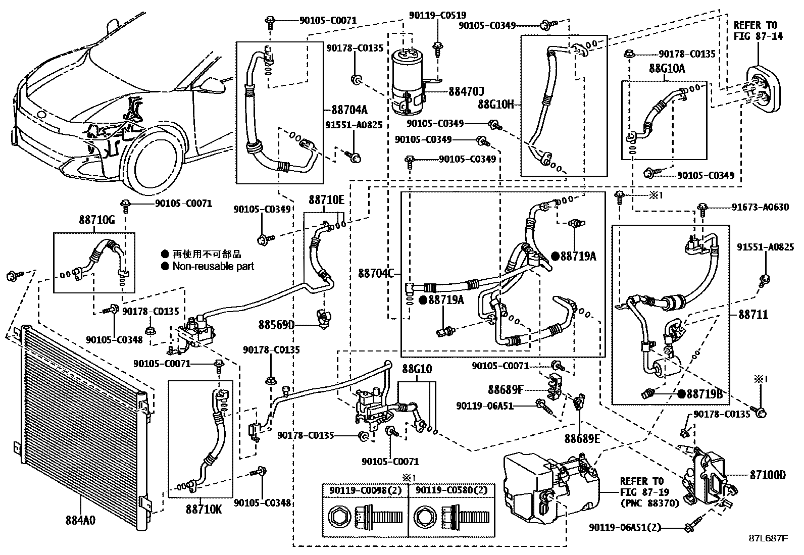
HEATING & AIR CONDITIONING - COOLER PIPING

87100DHEATER & ACCESSORY ASSY
8714
8719
88470JRECEIVER ASSY
884A0CONDENSER ASSY, COOLER
88569DCLAMP, COOLER, NO.1
88689EBRACKET, COOLER, NO.1
88689FBRACKET, COOLER, NO.2
88710ETUBE & ACCESSORY ASSY, AIR CONDITIONER
88710GTUBE & ACCESSORY ASSY, AIR CONDITIONER, NO.2
88710KTUBE & ACCESSORY ASSY, AIR CONDITIONER, NO.3
88711HOSE, COOLER REFRIGERANT DISCHARGE, NO.1
88719ASENSOR, AIR CONDITIONER PRESSURE
88719BSENSOR, AIR CONDITIONER PRESSURE, NO.2
88G10TUBE & ACCESSORY ASSY, AIR CONDITIONER, NO.4
88G10ATUBE & ACCESSORY ASSY, AIR CONDITIONER, NO.5
88G10HTUBE & ACCESSORY ASSY, AIR CONDITIONER, NO.6
90105C0071
main90105-C0071
90105C0348
main90105-C0348
90105C0349
main90105-C0349
9011906A51
main90119-06A51
90119C0098
main90119-C0098
90119C0519
main90119-C0519
90119C0580
main90119-C0580
90178C0135
main90178-C0135
91551A0825
main91551-A0825
91673A0630
main91673-A0630
29 parts on this diagram · 2 diagrams in section