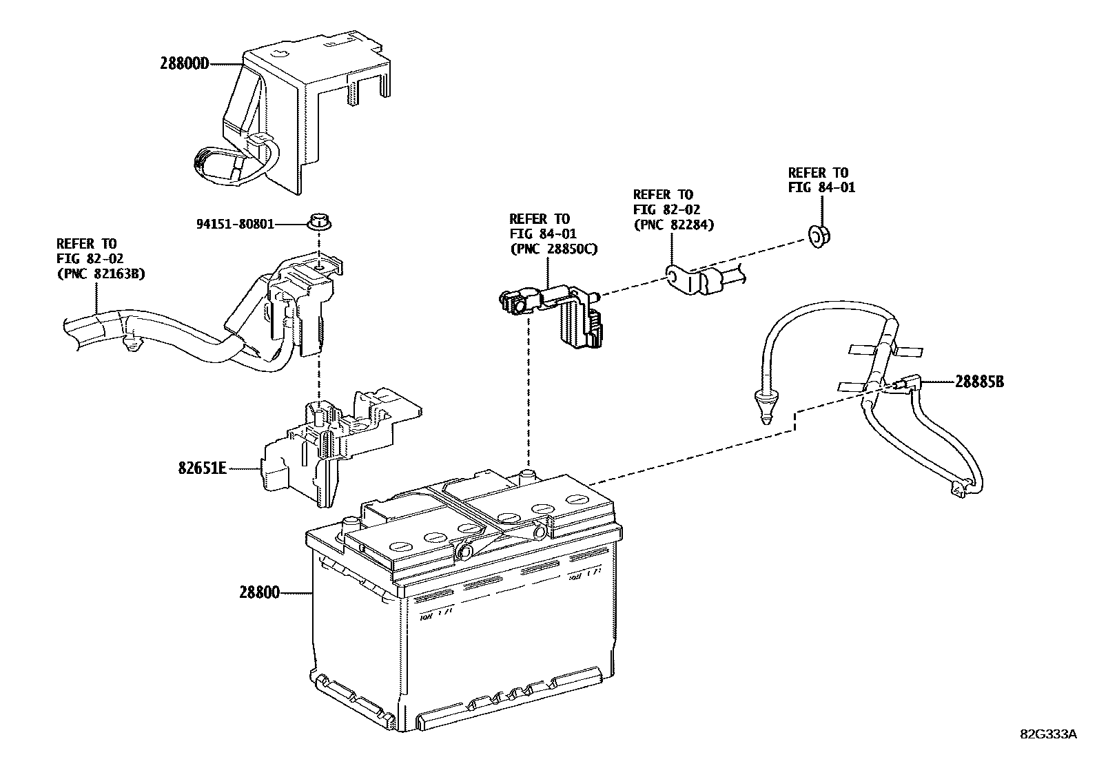
BATTERY & BATTERY CABLE

28800BATTERY
LN2
LN2
28800DCOVER, CONNECTOR(FOR BATTERY TERMINAL)
28885BHOSE, BATTERY
8202
82651EBLOCK, TERMINAL
8401
9415180801
main94151-80801
7 parts on this diagram · 1 diagram in section

7 parts on this diagram · 1 diagram in section