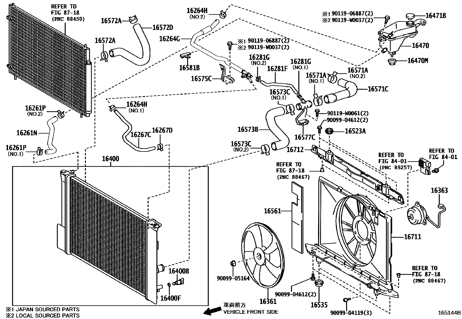
RADIATOR & WATER OUTLET

16261HOSE, WATER BY-PASS
(L)
(J)
16261NHOSE, WATER BY-PASS, NO.2
16261PCLIP(FOR WATER BY-PASS HOSE NO.2)
(L),NO.2
(L),NO.2:SEE ILLUST
NO.1:REFER ILLUST.
NO.1
(J),NO.2
(J),NO.2:SEE ILLUST
16264HOSE, WATER BY-PASS, NO.2
16264GHOSE, WATER BY-PASS, NO.3
16264HCLIP(FOR WATER BY-PASS HOSE NO.3)
NO.1:REFER ILLUST.
NO.1
NO.2
NO.2:REFER ILLUST.
16267HOSE, WATER BY-PASS, NO.3
16267CHOSE, WATER BY-PASS, NO.4
16267DCLIP(FOR WATER BY-PASS HOSE NO.4)
16281GCLIP(FOR WATER BY-PASS HOSE NO.5)
NO.1
NO.2
16361FAN
16363MOTOR, COOLING FAN
16400RADIATOR ASSY
16400BPLUG, RADIATOR DRAIN COCK
*153
16400FPACKING(FOR RADIATOR DRAIN COCK)
16470TANK ASSY, RADIATOR RESERVE
16470MGROMMET
16523ACUSHION, RADIATOR SUPPORT
16535SUPPORT, RADIATOR, LOWER
16561SEAL, RADIATOR TO SUPPORT, NO.1
16571ACLAMP OR CLIP, HOSE(FOR RADIATOR INLET)
(L),NO.1
NO.2
(J),NO.1
16572ACLAMP OR CLIP, HOSE(FOR RADIATOR OUTLET NO.1)
(L)
(J)
16572DHOSE, RADIATOR, NO.2
16573CCLAMP OR CLIP, RADIATOR HOSE, NO.3
NO.1
(L),NO.2
(J),NO.2
16575CBRACKET, WATER HOSE CLAMP, NO.1
16577CPIPE, RADIATOR
16581CLAMP, HOSE(FOR WATER HOSE)
NO.1
TYPE A,NO.2
TYPE B,NO.2
16581BCLAMP, HOSE(FOR RADIATOR HOSE)
16711SHROUD, FAN
16712SHROUD, FAN, NO.2
8401
8718
9009904119
main90099-04119
9009904612
main90099-04612
9009905164
main90099-05164
9011906887
main90119-06887
90119W0037
main90119-W0037
90119W0061
main90119-W0061
42 parts on this diagram · 3 diagrams in section