E
EPC Data

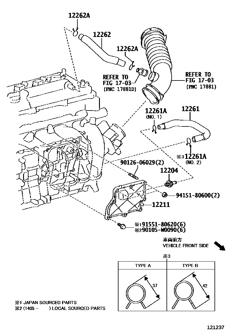
VENTILATION HOSE

Parts diagram
12204VALVE SUB-ASSY, VENTILATION
main12204-37010i201210-201505
main12204-37040i201505
12211CASE, VENTILATION, NO.1
main12211-0T010i201505
(L)
main12211-37010i201505
(J)
12261HOSE, VENTILATION
main12261-37050i201210-201505
12261ACLIP OR CLAMP(FOR VENTILATION HOSE)
main90466-22005i201702
NO.2,TYPE B:REF ILL.
main90467-15120i201210-201505
NO.1
main90467-23002i201505
NO.2,TYPE A:REF ILL.
12262HOSE, VENTILATION, NO.2
main12262-37030i201210-201505
12262ACLIP(FOR VENTILATION HOSE NO.2)
main90467-21004i201210-201505
1703
90105W0090
9012606029
9155180620
9415180600

11 parts on this diagram · 1 diagram in section

VENTILATION HOSE — Toyota Parts Diagram with OEM Numbers & Prices | EPC Data