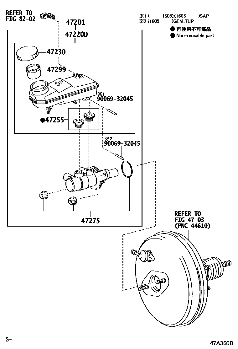
BRAKE MASTER CYLINDER

4703
47201CYLINDER SUB-ASSY, BRAKE MASTER
47220DRESERVOIR ASSY, BRAKE MASTER CYLINDER
47230CAP ASSY, BRAKE MASTER CYLINDER RESERVOIR FILLER
47275GASKET, BRAKE MASTER CYLINDER
47299STRAINER, BRAKE MASTER CYLINDER RESERVOIR
8202
9006932045
main90069-32045
9 parts on this diagram · 2 diagrams in section