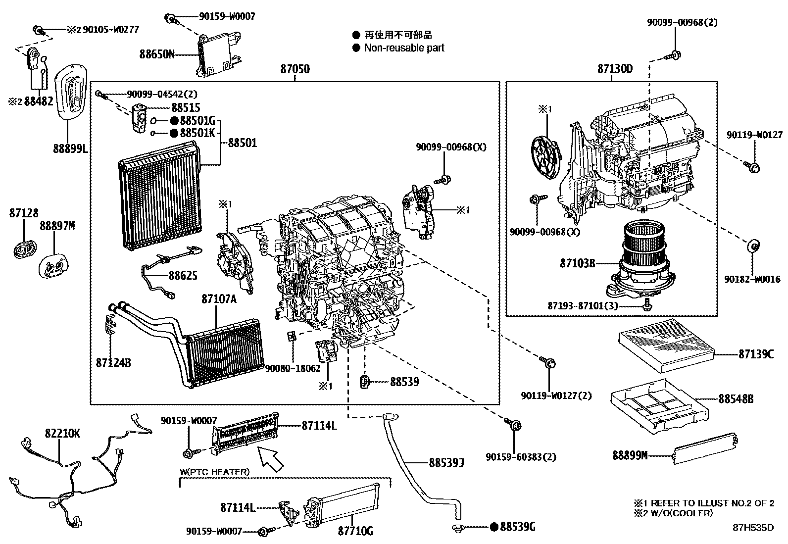
HEATING & AIR CONDITIONING - COOLER UNIT

82210KHARNESS ASSY, AIR CONDITIONER
UKRAINE SPEC&COLD AREA SPEC
MOLDOVA SPEC&COLD AREA SPEC
MOLDOVA SPEC&SUB COLD AREA SPEC
HIGH GRADE PACKAGE&SUB COLD AREA SPEC
COLD AREA SPEC
SUB COLD AREA SPEC
SUB COLD AREA SPEC&AIR CONDITIONER-AUTO AIR CONDITIONER
UKRAINE SPEC&SUB COLD AREA SPEC
UKRAINE SPEC&COLD AREA SPEC-SUB COLD AREA SPEC&AIR CONDITIONER-MANUAL AIR CONDITIONER
COLD AREA SPEC-COLD AREA SPEC
COLD AREA SPEC-COLD AREA SPEC&AIR CONDITIONER-MANUAL AIR CONDITIONER
COLD AREA SPEC-SUB COLD AREA SPEC
COLD AREA SPEC-SUB COLD AREA SPEC&AIR CONDITIONER-MANUAL AIR CONDITIONER
COLD AREA SPEC-SUB COLD AREA SPEC&AIR CONDITIONER-AUTO AIR CONDITIONER
UKRAINE SPEC&COLD AREA SPEC-COLD AREA SPEC
UKRAINE SPEC&COLD AREA SPEC-COLD AREA SPEC&AIR CONDITIONER-MANUAL AIR CONDITIONER
UKRAINE SPEC&COLD AREA SPEC-SUB COLD AREA SPEC
main82212-02250iZRE211..LHD..N;MZEA11..(G,N)..TUR;ZWE219..LHD..(G,N);MZEA11,ZRE210..N..EUR;ZRE210..LHD..CVT..N..GEN201901-202301
COLD AREA SPEC-SUB COLD AREA SPEC&AIR CONDITIONER-AUTO AIR CONDITIONER&COOLER REARDUCT-WITHOUT
COLD AREA SPEC-SUB COLD AREA SPEC&COOLER REAR DUCT-WITHOUT
AIR CONDITIONER-AUTO AIR CONDITIONER&COOLER REAR DUCT-WITHOUT
COOLER REAR DUCT-WITHOUT
SEAT COVER MATERIAL-FABRIC
UKRAINE SPEC
MOLDOVA SPEC
ENTRY GRADE
ENTRY GRADE&COLD AREA SPEC
ENTRY GRADE&SUB COLD AREA SPEC
HIGH GRADE PACKAGE&SUB COLD AREA SPEC&COOLER REAR DUCT-WITHOUT
HIGH GRADE PACKAGE&COOLER REAR DUCT-WITHOUT
COLD AREA SPEC&SEAT COVER MATERIAL-FABRIC
SUB COLD AREA SPEC&AIR CONDITIONER-AUTO AIR CONDITIONER&COOLER REAR DUCT-WITHOUT
SUB COLD AREA SPEC&COOLER REAR DUCT-WITHOUT
SUB COLD AREA SPEC&SEAT COVER MATERIAL-FABRIC
87050RADIATOR ASSY, AIR CONDITIONER
UKRAINE SPEC
MOLDOVA SPEC
HIGH GRADE PACKAGE&SUB COLD AREA SPEC
COLD AREA SPEC
SUB COLD AREA SPEC
SUB COLD AREA SPEC&AIR CONDITIONER-AUTO AIR CONDITIONER
UKRAINE SPEC&COLD AREA SPEC-COLD AREA SPEC
COLD AREA SPEC-SUB COLD AREA SPEC&AIR CONDITIONER-AUTO AIR CONDITIONER
AIR CONDITIONER-AUTO AIR CONDITIONER
UKRAINE SPEC&COLD AREA SPEC-SUB COLD AREA SPEC
AIR CONDITIONER-AUTO AIR CONDITIONER
HIGH GRADE PACKAGE
UKRAINE SPEC
COLD AREA SPEC&SEAT COVER MATERIAL-FABRIC
COLD AREA SPEC-SUB COLD AREA SPEC&COOLER REAR DUCT-WITHOUT
COOLER REAR DUCT-WITHOUT
SUB COLD AREA SPEC&COOLER REAR DUCT-WITHOUT
SEAT COVER MATERIAL-FABRIC
SUB COLD AREA SPEC&SEAT COVER MATERIAL-FABRIC
UKRAINE SPEC
ENTRY GRADE&SUB COLD AREA SPEC
ENTRY GRADE
ENTRY GRADE&COLD AREA SPEC
UKRAINE SPEC&COLD AREA SPEC-SUB COLD AREA SPEC&AIR CONDITIONER-MANUAL AIR CONDITIONER
COLD AREA SPEC-SUB COLD AREA SPEC
UKRAINE SPEC&COLD AREA SPEC-COLD AREA SPEC&AIR CONDITIONER-MANUAL AIR CONDITIONER
UKRAINE SPEC&AIR CONDITIONER-MANUAL AIR CONDITIONER
COLD AREA SPEC-SUB COLD AREA SPEC&COOLER REAR DUCT-WITHOUT
COOLER REAR DUCT-WITHOUT
87103BMOTOR SUB-ASSY, BLOWER W/FAN
main87103-02750iZWE219..LHD;MZEA11..TUR;ZRE210..N..EUR;ZRE210..6F..D..RUS;ZRE210..CVT..D..GCC;ZRE210..LHD..CVT..(GEN,RUS);MZEA11,ZRE211..LHD..(D,N)..(EUR,GCC,GEN)202305
main87103-F4020iZRE210..N..EUR;ZRE210..6F..D..RUS;ZRE210..CVT..D..GCC;MZEA11,ZRE211..LHD..(D,N);ZRE210..LHD..CVT..(GEN,RUS)201901-202305
87107AUNIT SUB-ASSY, HEATER RADIATOR
ENTRY GRADE
main87107-F4020iZRE210..N..EUR;ZRE210..6F..D..RUS;ZRE210..CVT..D..GCC;MZEA11,ZRE211..LHD..(D,N);ZRE210..LHD..CVT..(GEN,RUS)201901-202301
main87107-F4020iZWE219..D;MZEA11..TUR;ZRE210..N..EUR;ZRE210..6F..D..RUS;ZRE210..CVT..D..GCC;ZRE210..LHD..CVT..(GEN,RUS);MZEA11,ZRE211..LHD..(D,N)..(EUR,GCC,GEN)202301
UKRAINE SPEC&COLD AREA SPEC
main87107-F4020iZWE219..D;MZEA11..TUR;ZRE210..N..EUR;ZRE210..6F..D..RUS;ZRE210..CVT..D..GCC;ZRE210..LHD..CVT..(GEN,RUS);MZEA11,ZRE211..LHD..(D,N)..(EUR,GCC,GEN)202301
UKRAINE SPEC&SUB COLD AREA SPEC
main87107-F4020iZWE219..D;MZEA11..TUR;ZRE210..N..EUR;ZRE210..6F..D..RUS;ZRE210..CVT..D..GCC;ZRE210..LHD..CVT..(GEN,RUS);MZEA11,ZRE211..LHD..(D,N)..(EUR,GCC,GEN)202301
MOLDOVA SPEC&COLD AREA SPEC
main87107-F4020iZWE219..D;MZEA11..TUR;ZRE210..N..EUR;ZRE210..6F..D..RUS;ZRE210..CVT..D..GCC;ZRE210..LHD..CVT..(GEN,RUS);MZEA11,ZRE211..LHD..(D,N)..(EUR,GCC,GEN)202301
MOLDOVA SPEC&SUB COLD AREA SPEC
main87107-F4020iZWE219..D;MZEA11..TUR;ZRE210..N..EUR;ZRE210..6F..D..RUS;ZRE210..CVT..D..GCC;ZRE210..LHD..CVT..(GEN,RUS);MZEA11,ZRE211..LHD..(D,N)..(EUR,GCC,GEN)202301
ENTRY GRADE&COLD AREA SPEC
main87107-F4020iZWE219..D;MZEA11..TUR;ZRE210..N..EUR;ZRE210..6F..D..RUS;ZRE210..CVT..D..GCC;ZRE210..LHD..CVT..(GEN,RUS);MZEA11,ZRE211..LHD..(D,N)..(EUR,GCC,GEN)202301
ENTRY GRADE&SUB COLD AREA SPEC
main87107-F4020iZWE219..D;MZEA11..TUR;ZRE210..N..EUR;ZRE210..6F..D..RUS;ZRE210..CVT..D..GCC;ZRE210..LHD..CVT..(GEN,RUS);MZEA11,ZRE211..LHD..(D,N)..(EUR,GCC,GEN)202301
COLD AREA SPEC
main87107-F4020iZWE219..D;MZEA11..TUR;ZRE210..N..EUR;ZRE210..6F..D..RUS;ZRE210..CVT..D..GCC;ZRE210..LHD..CVT..(GEN,RUS);MZEA11,ZRE211..LHD..(D,N)..(EUR,GCC,GEN)202301
SUB COLD AREA SPEC
87114LCOVER, HEATER, NO.2
COLD AREA SPEC-COLD AREA SPEC
ADDITIONAL HEATER-WITH(PTC HEATER)
main87114-F4060iZWE219;MZEA11..TUR;ZRE210..CVT..N..GEN;ZRE210..LHD..CVT..D..(GCC,GEN);MZEA11,ZRE211..LHD..(D,N)..(EUR,GCC,GEN)201901-202301
87124BCLAMP, HEATER
MOLDOVA SPEC&SUB COLD AREA SPEC
main87124-F4010iZWE219..D;ZWE219..RHD;MZEA11..TUR;ZRE210..N..EUR;ZRE210..D..RUS;ZRE210..CVT..(G,N)..(GEN,RUS);ZRE210..LHD..CVT..D..(GCC,GEN);MZEA11,ZRE211..LHD..(D,N)..(EUR,GCC,GEN202301
UKRAINE SPEC&COLD AREA SPEC
main87124-F4010iZWE219..D;ZWE219..RHD;MZEA11..TUR;ZRE210..N..EUR;ZRE210..D..RUS;ZRE210..CVT..(G,N)..(GEN,RUS);ZRE210..LHD..CVT..D..(GCC,GEN);MZEA11,ZRE211..LHD..(D,N)..(EUR,GCC,GEN202301
UKRAINE SPEC&SUB COLD AREA SPEC
main87124-F4010iZWE219..D;ZWE219..RHD;MZEA11..TUR;ZRE210..N..EUR;ZRE210..D..RUS;ZRE210..CVT..(G,N)..(GEN,RUS);ZRE210..LHD..CVT..D..(GCC,GEN);MZEA11,ZRE211..LHD..(D,N)..(EUR,GCC,GEN202301
MOLDOVA SPEC&COLD AREA SPEC
main87124-F4010iZWE219..D;ZWE219..RHD;MZEA11..TUR;ZRE210..N..EUR;ZRE210..D..RUS;ZRE210..CVT..(G,N)..(GEN,RUS);ZRE210..LHD..CVT..D..(GCC,GEN);MZEA11,ZRE211..LHD..(D,N)..(EUR,GCC,GEN202301
ENTRY GRADE
main87124-F4010iZWE219..D;ZWE219..RHD;MZEA11..TUR;ZRE210..N..EUR;ZRE210..D..RUS;ZRE210..CVT..(G,N)..(GEN,RUS);ZRE210..LHD..CVT..D..(GCC,GEN);MZEA11,ZRE211..LHD..(D,N)..(EUR,GCC,GEN202301
ENTRY GRADE&COLD AREA SPEC
main87124-F4010iZWE219..D;ZWE219..RHD;MZEA11..TUR;ZRE210..N..EUR;ZRE210..D..RUS;ZRE210..CVT..(G,N)..(GEN,RUS);ZRE210..LHD..CVT..D..(GCC,GEN);MZEA11,ZRE211..LHD..(D,N)..(EUR,GCC,GEN202301
ENTRY GRADE&SUB COLD AREA SPEC
main87124-F4010iZWE219..D;ZWE219..RHD;MZEA11..TUR;ZRE210..N..EUR;ZRE210..D..RUS;ZRE210..CVT..(G,N)..(GEN,RUS);ZRE210..LHD..CVT..D..(GCC,GEN);MZEA11,ZRE211..LHD..(D,N)..(EUR,GCC,GEN202301
COLD AREA SPEC
main87124-F4010iZWE219..D;ZWE219..RHD;MZEA11..TUR;ZRE210..N..EUR;ZRE210..D..RUS;ZRE210..CVT..(G,N)..(GEN,RUS);ZRE210..LHD..CVT..D..(GCC,GEN);MZEA11,ZRE211..LHD..(D,N)..(EUR,GCC,GEN202301
SUB COLD AREA SPEC
87128GROMMET, HEATER
main87128-28010iZWE219;MZEA11..TUR;ZRE210..N..EUR;ZRE210..D..RUS;ZRE210..CVT..(G,N)..(GEN,RUS);ZRE210..LHD..CVT..D..(GCC,GEN);MZEA11,ZRE211..LHD..(D,N)..(EUR,GCC,GEN)201901-202301
87130DBLOWER ASSY
main87130-F4020iZWE211,213..LHD;ZRE210..6F..N..RUS;ZRE210..CVT..N..GCC;ZRE210..LHD..D..EUR;ZRE210..LHD..6F..(GCC,GEN);MZEA11,ZRE211..G..(EUR,GCC,GEN)201901-202305
main87130-F4021iZWE219..LHD;MZEA11..TUR;ZRE210..N..EUR;ZRE210..6F..D..RUS;ZRE210..CVT..D..GCC;ZRE210..LHD..CVT..(GEN,RUS);MZEA11,ZRE211..LHD..(D,N)..(EUR,GCC,GEN)202305
87139CFILTER, CLEAN AIR
main87139-58010iZWE219;MZEA11..TUR;ZRE210..N..EUR;ZRE210..D..RUS;ZRE210..CVT..(G,N)..(GEN,RUS);ZRE210..LHD..CVT..D..(GCC,GEN);MZEA11,ZRE211..LHD..(D,N)..(EUR,GCC,GEN)201901-202301
DEODORANT FILTER
main87139-F4020iZWE219;MZEA11..TUR;ZRE210..N..EUR;ZRE210..D..RUS;ZRE210..CVT..(G,N)..(GEN,RUS);ZRE210..LHD..CVT..D..(GCC,GEN);MZEA11,ZRE211..LHD..(D,N)..(EUR,GCC,GEN)201901-202301
POLLEN FILTER,OE PART
87710GQUICK HEATER ASSY
COLD AREA SPEC-COLD AREA SPEC
ADDITIONAL HEATER-WITH(PTC HEATER)
88482CAP, COOLER
AIR CONDITIONER-MANUAL AIR CONDITIONER
88501EVAPORATOR SUB-ASSY, COOLER, NO.1
UKRAINE SPEC&COLD AREA SPEC-SUB COLD AREA SPEC
UKRAINE SPEC
UKRAINE SPEC&COLD AREA SPEC-COLD AREA SPEC
UKRAINE SPEC
main88501-02510iZRE210..D..RUS;ZRE211..LHD..N;ZRE210..CVT..(G,N)..(GEN,RUS);ZRE210..LHD..CVT..D..(GCC,GEN)201901-202301
UKRAINE SPEC&COLD AREA SPEC-COLD AREA SPEC
main88501-02510iZRE210..D..RUS;ZRE211..LHD..N;ZRE210..CVT..(G,N)..(GEN,RUS);ZRE210..LHD..CVT..D..(GCC,GEN)201901-202301
UKRAINE SPEC&COLD AREA SPEC-COLD AREA SPEC&AIR CONDITIONER-MANUAL AIR CONDITIONER
main88501-02510iZRE210..D..RUS;ZRE211..LHD..N;ZRE210..CVT..(G,N)..(GEN,RUS);ZRE210..LHD..CVT..D..(GCC,GEN)201901-202301
UKRAINE SPEC&COLD AREA SPEC-SUB COLD AREA SPEC
main88501-02510iZRE210..D..RUS;ZRE211..LHD..N;ZRE210..CVT..(G,N)..(GEN,RUS);ZRE210..LHD..CVT..D..(GCC,GEN)201901-202301
UKRAINE SPEC&COLD AREA SPEC-SUB COLD AREA SPEC&AIR CONDITIONER-MANUAL AIR CONDITIONER
main88501-02510iZRE210..D..RUS;ZRE211..LHD..N;ZRE210..CVT..(G,N)..(GEN,RUS);ZRE210..LHD..CVT..D..(GCC,GEN)201901-202301
UKRAINE SPEC&AIR CONDITIONER-MANUAL AIR CONDITIONER
main88501-02510iZRE210..N..EUR;ZRE210..D..RUS;ZRE211..LHD..N;ZRE210..CVT..(G,N)..(GEN,RUS);ZRE210..LHD..CVT..D..(GCC,GEN)202301
COLD AREA SPEC-SUB COLD AREA SPEC&COOLER REAR DUCT-WITHOUT
COOLER REAR DUCT-WITHOUT
88501GO-RING, COOLER EVAPORATOR NO.1(SUCTION)
ID=13.4,OD=18.2,HIGH GRADE PACKAGE
ID=13.4,OD=18.2
main90099-14121iZRE210..N..EUR;MZEA11..LHD..(D,N);ZRE210..(D,G)..RUS;ZRE210..LHD..CVT..D..(GCC,GEN)201901-202301
ID=13.4,OD=18.2,COLD AREA SPEC-SUB COLD AREA SPEC&AIR CONDITIONER-AUTO AIR CONDITIONER
main90099-14121iZRE210..N..EUR;MZEA11..LHD..(D,N);ZRE210..(D,G)..RUS;ZRE210..LHD..CVT..D..(GCC,GEN)201901-202301
ID=13.4,OD=18.2,COLD AREA SPEC-SUB COLD AREA SPEC&AIR CONDITIONER-AUTO AIR CONDITIONER&COOLER REAR DUCT-WITHOUT
main90099-14121iZRE210..N..EUR;MZEA11..LHD..(D,N);ZRE210..(D,G)..RUS;ZRE210..LHD..CVT..D..(GCC,GEN)201901-202301
ID=13.4,OD=18.2,COLD AREA SPEC-SUB COLD AREA SPEC&COOLER REAR DUCT-WITHOUT
main90099-14121iZRE210..N..EUR;MZEA11..LHD..(D,N);ZRE210..(D,G)..RUS;ZRE210..LHD..CVT..D..(GCC,GEN)201901-202301
ID=13.4,OD=18.2,AIR CONDITIONER-AUTO AIR CONDITIONER
main90099-14121iZRE210..N..EUR;MZEA11..LHD..(D,N);ZRE210..(D,G)..RUS;ZRE210..LHD..CVT..D..(GCC,GEN)201901-202301
ID=13.4,OD=18.2,AIR CONDITIONER-AUTO AIR CONDITIONER&COOLER REAR DUCT-WITHOUT
main90099-14121iZRE210..N..EUR;MZEA11..LHD..(D,N);ZRE210..(D,G)..RUS;ZRE210..LHD..CVT..D..(GCC,GEN)201901-202301
ID=13.4,OD=18.2,COOLER REAR DUCT-WITHOUT
main90099-14121iMZEA11..TUR;ZRE210..N..EUR;ZRE210..CVT..RUS;ZRE210..6F..D..RUS;MZEA11..LHD..(D,N)..EUR;ZRE210..LHD..CVT..D..(GCC,GEN)202301
ID=13.4,OD=18.2,UKRAINE SPEC
main90099-14121iMZEA11..TUR;ZRE210..N..EUR;ZRE210..CVT..RUS;ZRE210..6F..D..RUS;MZEA11..LHD..(D,N)..EUR;ZRE210..LHD..CVT..D..(GCC,GEN)202301
ID=13.4,OD=18.2,UKRAINE SPEC&COLD AREA SPEC
main90099-14121iMZEA11..TUR;ZRE210..N..EUR;ZRE210..CVT..RUS;ZRE210..6F..D..RUS;MZEA11..LHD..(D,N)..EUR;ZRE210..LHD..CVT..D..(GCC,GEN)202301
ID=13.4,OD=18.2,UKRAINE SPEC&SUB COLD AREA SPEC
main90099-14121iMZEA11..TUR;ZRE210..N..EUR;ZRE210..CVT..RUS;ZRE210..6F..D..RUS;MZEA11..LHD..(D,N)..EUR;ZRE210..LHD..CVT..D..(GCC,GEN)202301
ID=13.4,OD=18.2,MOLDOVA SPEC
main90099-14121iMZEA11..TUR;ZRE210..N..EUR;ZRE210..CVT..RUS;ZRE210..6F..D..RUS;MZEA11..LHD..(D,N)..EUR;ZRE210..LHD..CVT..D..(GCC,GEN)202301
ID=13.4,OD=18.2,MOLDOVA SPEC&COLD AREA SPEC
main90099-14121iMZEA11..TUR;ZRE210..N..EUR;ZRE210..CVT..RUS;ZRE210..6F..D..RUS;MZEA11..LHD..(D,N)..EUR;ZRE210..LHD..CVT..D..(GCC,GEN)202301
ID=13.4,OD=18.2,MOLDOVA SPEC&SUB COLD AREA SPEC
main90099-14121iMZEA11..TUR;ZRE210..N..EUR;ZRE210..CVT..RUS;ZRE210..6F..D..RUS;MZEA11..LHD..(D,N)..EUR;ZRE210..LHD..CVT..D..(GCC,GEN)202301
ID=13.4,OD=18.2,ENTRY GRADE
main90099-14121iMZEA11..TUR;ZRE210..N..EUR;ZRE210..CVT..RUS;ZRE210..6F..D..RUS;MZEA11..LHD..(D,N)..EUR;ZRE210..LHD..CVT..D..(GCC,GEN)202301
ID=13.4,OD=18.2,ENTRY GRADE&COLD AREA SPEC
main90099-14121iMZEA11..TUR;ZRE210..N..EUR;ZRE210..CVT..RUS;ZRE210..6F..D..RUS;MZEA11..LHD..(D,N)..EUR;ZRE210..LHD..CVT..D..(GCC,GEN)202301
ID=13.4,OD=18.2,ENTRY GRADE&SUB COLD AREA SPEC
main90099-14121iMZEA11..TUR;ZRE210..N..EUR;ZRE210..CVT..RUS;ZRE210..6F..D..RUS;MZEA11..LHD..(D,N)..EUR;ZRE210..LHD..CVT..D..(GCC,GEN)202301
ID=13.4,OD=18.2,HIGH GRADE PACKAGE&SUB COLD AREA SPEC
main90099-14121iMZEA11..TUR;ZRE210..N..EUR;ZRE210..CVT..RUS;ZRE210..6F..D..RUS;MZEA11..LHD..(D,N)..EUR;ZRE210..LHD..CVT..D..(GCC,GEN)202301
ID=13.4,OD=18.2,HIGH GRADE PACKAGE&SUB COLD AREA SPEC&COOLER REAR DUCT-WITHOUT
main90099-14121iMZEA11..TUR;ZRE210..N..EUR;ZRE210..CVT..RUS;ZRE210..6F..D..RUS;MZEA11..LHD..(D,N)..EUR;ZRE210..LHD..CVT..D..(GCC,GEN)202301
ID=13.4,OD=18.2,HIGH GRADE PACKAGE&COOLER REAR DUCT-WITHOUT
main90099-14121iMZEA11..TUR;ZRE210..N..EUR;ZRE210..CVT..RUS;ZRE210..6F..D..RUS;MZEA11..LHD..(D,N)..EUR;ZRE210..LHD..CVT..D..(GCC,GEN)202301
ID=13.4,OD=18.2,COLD AREA SPEC
main90099-14121iMZEA11..TUR;ZRE210..N..EUR;ZRE210..CVT..RUS;ZRE210..6F..D..RUS;MZEA11..LHD..(D,N)..EUR;ZRE210..LHD..CVT..D..(GCC,GEN)202301
ID=13.4,OD=18.2,SUB COLD AREA SPEC
main90099-14121iMZEA11..TUR;ZRE210..N..EUR;ZRE210..CVT..RUS;ZRE210..6F..D..RUS;MZEA11..LHD..(D,N)..EUR;ZRE210..LHD..CVT..D..(GCC,GEN)202301
ID=13.4,OD=18.2,SUB COLD AREA SPEC&AIR CONDITIONER-AUTO AIR CONDITIONER
main90099-14121iMZEA11..TUR;ZRE210..N..EUR;ZRE210..CVT..RUS;ZRE210..6F..D..RUS;MZEA11..LHD..(D,N)..EUR;ZRE210..LHD..CVT..D..(GCC,GEN)202301
ID=13.4,OD=18.2,SUB COLD AREA SPEC&AIR CONDITIONER-AUTO AIR CONDITIONER&COOLER REAR DUCT-WITHOUT
main90099-14121iMZEA11..TUR;ZRE210..N..EUR;ZRE210..CVT..RUS;ZRE210..6F..D..RUS;MZEA11..LHD..(D,N)..EUR;ZRE210..LHD..CVT..D..(GCC,GEN)202301
ID=13.4,OD=18.2,SUB COLD AREA SPEC&COOLER REAR DUCT-WITHOUT
88501KO-RING, COOLER EVAPORATOR NO.1(LIQUID)
ID=10.8,OD=15.6,MOLDOVA SPEC&COLD AREA SPEC
ID=10.8,OD=15.6,HIGH GRADE PACKAGE&COOLER REAR DUCT-WITHOUT
ID=10.8,OD=15.6,COLD AREA SPEC
ID=10.8,OD=15.6,SUB COLD AREA SPEC
ID=10.8,OD=15.6,SUB COLD AREA SPEC&AIR CONDITIONER-AUTO AIR CONDITIONER
ID=10.8,OD=15.6,SUB COLD AREA SPEC&AIR CONDITIONER-AUTO AIR CONDITIONER&COOLER REAR DUCT-WITHOUT
ID=10.8,OD=15.6,SUB COLD AREA SPEC&COOLER REAR DUCT-WITHOUT
ID=10.8,OD=15.6,AIR CONDITIONER-AUTO AIR CONDITIONER
ID=10.8,OD=15.6,AIR CONDITIONER-AUTO AIR CONDITIONER&COOLER REAR DUCT-WITHOUT
ID=10.8,OD=15.6,COOLER REAR DUCT-WITHOUT
ID=10.8,OD=15.6
ID=10.8,OD=15.6,UKRAINE SPEC
ID=10.8,OD=15.6,UKRAINE SPEC&COLD AREA SPEC
ID=10.8,OD=15.6,UKRAINE SPEC&SUB COLD AREA SPEC
ID=10.8,OD=15.6,MOLDOVA SPEC
ID=10.8,OD=15.6,MOLDOVA SPEC&SUB COLD AREA SPEC
ID=10.8,OD=15.6,ENTRY GRADE
ID=10.8,OD=15.6,ENTRY GRADE&COLD AREA SPEC
ID=10.8,OD=15.6,ENTRY GRADE&SUB COLD AREA SPEC
ID=10.8,OD=15.6,HIGH GRADE PACKAGE
ID=10.8,OD=15.6,HIGH GRADE PACKAGE&SUB COLD AREA SPEC
ID=10.8,OD=15.6,HIGH GRADE PACKAGE&SUB COLD AREA SPEC&COOLER REAR DUCT-WITHOUT
main90099-14120iZRE210..N..EUR;MZEA11..LHD..(D,N);ZRE210..(D,G)..RUS;ZRE210..LHD..CVT..D..(GCC,GEN)201901-202301
ID=10.8,OD=15.6,COLD AREA SPEC-SUB COLD AREA SPEC&AIR CONDITIONER-AUTO AIR CONDITIONER
main90099-14120iZRE210..N..EUR;MZEA11..LHD..(D,N);ZRE210..(D,G)..RUS;ZRE210..LHD..CVT..D..(GCC,GEN)201901-202301
ID=10.8,OD=15.6,COLD AREA SPEC-SUB COLD AREA SPEC&AIR CONDITIONER-AUTO AIR CONDITIONER&COOLER REAR DUCT-WITHOUT
main90099-14120iZRE210..N..EUR;MZEA11..LHD..(D,N);ZRE210..(D,G)..RUS;ZRE210..LHD..CVT..D..(GCC,GEN)201901-202301
ID=10.8,OD=15.6,COLD AREA SPEC-SUB COLD AREA SPEC&COOLER REAR DUCT-WITHOUT
88515VALVE, COOLER EXPANSION
main88515-02560iZRE210..D..RUS;ZRE211..LHD..N;ZRE210..CVT..(G,N)..(GEN,RUS);ZRE210..LHD..CVT..D..(GCC,GEN)201901-202301
UKRAINE SPEC&AIR CONDITIONER-MANUAL AIR CONDITIONER
MOLDOVA SPEC
MOLDOVA SPEC&COLD AREA SPEC
MOLDOVA SPEC&SUB COLD AREA SPEC
UKRAINE SPEC&SUB COLD AREA SPEC
UKRAINE SPEC
UKRAINE SPEC&COLD AREA SPEC
main88515-02560iZRE210..D..RUS;ZRE211..LHD..N;ZRE210..CVT..(G,N)..(GEN,RUS);ZRE210..LHD..CVT..D..(GCC,GEN)201901-202301
UKRAINE SPEC&COLD AREA SPEC-COLD AREA SPEC
main88515-02560iZRE210..D..RUS;ZRE211..LHD..N;ZRE210..CVT..(G,N)..(GEN,RUS);ZRE210..LHD..CVT..D..(GCC,GEN)201901-202301
UKRAINE SPEC&COLD AREA SPEC-COLD AREA SPEC&AIR CONDITIONER-MANUAL AIR CONDITIONER
main88515-02560iZRE210..D..RUS;ZRE211..LHD..N;ZRE210..CVT..(G,N)..(GEN,RUS);ZRE210..LHD..CVT..D..(GCC,GEN)201901-202301
UKRAINE SPEC&COLD AREA SPEC-SUB COLD AREA SPEC
main88515-02560iZRE210..D..RUS;ZRE211..LHD..N;ZRE210..CVT..(G,N)..(GEN,RUS);ZRE210..LHD..CVT..D..(GCC,GEN)201901-202301
UKRAINE SPEC&COLD AREA SPEC-SUB COLD AREA SPEC&AIR CONDITIONER-MANUAL AIR CONDITIONER
UKRAINE SPEC&COLD AREA SPEC-SUB COLD AREA SPEC
UKRAINE SPEC
UKRAINE SPEC&COLD AREA SPEC-COLD AREA SPEC
COLD AREA SPEC-SUB COLD AREA SPEC&COOLER REAR DUCT-WITHOUT
COOLER REAR DUCT-WITHOUT
88539HOSE, COOLER UNIT DRAIN, NO.1
HIGH GRADE PACKAGE&SUB COLD AREA SPEC
main88899-10110iZRE210..N..EUR;MZEA11..LHD..(D,N);ZRE210..(D,G)..RUS;ZRE210..LHD..CVT..D..(GCC,GEN)201901-202301
COLD AREA SPEC-SUB COLD AREA SPEC&AIR CONDITIONER-AUTO AIR CONDITIONER
main88899-10110iZRE210..N..EUR;MZEA11..LHD..(D,N);ZRE210..(D,G)..RUS;ZRE210..LHD..CVT..D..(GCC,GEN)201901-202301
COLD AREA SPEC-SUB COLD AREA SPEC&AIR CONDITIONER-AUTO AIR CONDITIONER&COOLER REARDUCT-WITHOUT
main88899-10110iZRE210..N..EUR;MZEA11..LHD..(D,N);ZRE210..(D,G)..RUS;ZRE210..LHD..CVT..D..(GCC,GEN)201901-202301
COLD AREA SPEC-SUB COLD AREA SPEC&COOLER REAR DUCT-WITHOUT
main88899-10110iZRE210..N..EUR;MZEA11..LHD..(D,N);ZRE210..(D,G)..RUS;ZRE210..LHD..CVT..D..(GCC,GEN)201901-202301
AIR CONDITIONER-AUTO AIR CONDITIONER
main88899-10110iZRE210..N..EUR;MZEA11..LHD..(D,N);ZRE210..(D,G)..RUS;ZRE210..LHD..CVT..D..(GCC,GEN)201901-202301
AIR CONDITIONER-AUTO AIR CONDITIONER&COOLER REAR DUCT-WITHOUT
main88899-10110iZRE210..N..EUR;MZEA11..LHD..(D,N);ZRE210..(D,G)..RUS;ZRE210..LHD..CVT..D..(GCC,GEN)201901-202301
COOLER REAR DUCT-WITHOUT
main88899-10110iMZEA11..TUR;ZRE210..N..EUR;ZRE210..CVT..RUS;ZRE210..6F..D..RUS;MZEA11..LHD..(D,N)..EUR;ZRE210..LHD..CVT..D..(GCC,GEN)202301
UKRAINE SPEC
main88899-10110iMZEA11..TUR;ZRE210..N..EUR;ZRE210..CVT..RUS;ZRE210..6F..D..RUS;MZEA11..LHD..(D,N)..EUR;ZRE210..LHD..CVT..D..(GCC,GEN)202301
UKRAINE SPEC&COLD AREA SPEC
main88899-10110iMZEA11..TUR;ZRE210..N..EUR;ZRE210..CVT..RUS;ZRE210..6F..D..RUS;MZEA11..LHD..(D,N)..EUR;ZRE210..LHD..CVT..D..(GCC,GEN)202301
UKRAINE SPEC&SUB COLD AREA SPEC
main88899-10110iMZEA11..TUR;ZRE210..N..EUR;ZRE210..CVT..RUS;ZRE210..6F..D..RUS;MZEA11..LHD..(D,N)..EUR;ZRE210..LHD..CVT..D..(GCC,GEN)202301
MOLDOVA SPEC
main88899-10110iMZEA11..TUR;ZRE210..N..EUR;ZRE210..CVT..RUS;ZRE210..6F..D..RUS;MZEA11..LHD..(D,N)..EUR;ZRE210..LHD..CVT..D..(GCC,GEN)202301
MOLDOVA SPEC&COLD AREA SPEC
main88899-10110iMZEA11..TUR;ZRE210..N..EUR;ZRE210..CVT..RUS;ZRE210..6F..D..RUS;MZEA11..LHD..(D,N)..EUR;ZRE210..LHD..CVT..D..(GCC,GEN)202301
MOLDOVA SPEC&SUB COLD AREA SPEC
main88899-10110iMZEA11..TUR;ZRE210..N..EUR;ZRE210..CVT..RUS;ZRE210..6F..D..RUS;MZEA11..LHD..(D,N)..EUR;ZRE210..LHD..CVT..D..(GCC,GEN)202301
ENTRY GRADE
main88899-10110iMZEA11..TUR;ZRE210..N..EUR;ZRE210..CVT..RUS;ZRE210..6F..D..RUS;MZEA11..LHD..(D,N)..EUR;ZRE210..LHD..CVT..D..(GCC,GEN)202301
ENTRY GRADE&COLD AREA SPEC
main88899-10110iMZEA11..TUR;ZRE210..N..EUR;ZRE210..CVT..RUS;ZRE210..6F..D..RUS;MZEA11..LHD..(D,N)..EUR;ZRE210..LHD..CVT..D..(GCC,GEN)202301
ENTRY GRADE&SUB COLD AREA SPEC
main88899-10110iMZEA11..TUR;ZRE210..N..EUR;ZRE210..CVT..RUS;ZRE210..6F..D..RUS;MZEA11..LHD..(D,N)..EUR;ZRE210..LHD..CVT..D..(GCC,GEN)202301
HIGH GRADE PACKAGE
main88899-10110iMZEA11..TUR;ZRE210..N..EUR;ZRE210..CVT..RUS;ZRE210..6F..D..RUS;MZEA11..LHD..(D,N)..EUR;ZRE210..LHD..CVT..D..(GCC,GEN)202301
HIGH GRADE PACKAGE&SUB COLD AREA SPEC&COOLER REAR DUCT-WITHOUT
main88899-10110iMZEA11..TUR;ZRE210..N..EUR;ZRE210..CVT..RUS;ZRE210..6F..D..RUS;MZEA11..LHD..(D,N)..EUR;ZRE210..LHD..CVT..D..(GCC,GEN)202301
HIGH GRADE PACKAGE&COOLER REAR DUCT-WITHOUT
main88899-10110iMZEA11..TUR;ZRE210..N..EUR;ZRE210..CVT..RUS;ZRE210..6F..D..RUS;MZEA11..LHD..(D,N)..EUR;ZRE210..LHD..CVT..D..(GCC,GEN)202301
COLD AREA SPEC
main88899-10110iMZEA11..TUR;ZRE210..N..EUR;ZRE210..CVT..RUS;ZRE210..6F..D..RUS;MZEA11..LHD..(D,N)..EUR;ZRE210..LHD..CVT..D..(GCC,GEN)202301
SUB COLD AREA SPEC
main88899-10110iMZEA11..TUR;ZRE210..N..EUR;ZRE210..CVT..RUS;ZRE210..6F..D..RUS;MZEA11..LHD..(D,N)..EUR;ZRE210..LHD..CVT..D..(GCC,GEN)202301
SUB COLD AREA SPEC&AIR CONDITIONER-AUTO AIR CONDITIONER
main88899-10110iMZEA11..TUR;ZRE210..N..EUR;ZRE210..CVT..RUS;ZRE210..6F..D..RUS;MZEA11..LHD..(D,N)..EUR;ZRE210..LHD..CVT..D..(GCC,GEN)202301
SUB COLD AREA SPEC&AIR CONDITIONER-AUTO AIR CONDITIONER&COOLER REAR DUCT-WITHOUT
main88899-10110iMZEA11..TUR;ZRE210..N..EUR;ZRE210..CVT..RUS;ZRE210..6F..D..RUS;MZEA11..LHD..(D,N)..EUR;ZRE210..LHD..CVT..D..(GCC,GEN)202301
SUB COLD AREA SPEC&COOLER REAR DUCT-WITHOUT
88539GGROMMET (FOR COOLER UNIT DRAIN HOSE)
main88888-47010iZRE210..N..EUR;ZRE210..D..RUS;MZEA11,ZRE211..LHD..(D,N);ZRE210..CVT..(G,N)..(GEN,RUS);ZRE210..LHD..CVT..D..(GCC,GEN)201901-202301
88539JHOSE, DRAIN COOLER
main88539-F4040iZWE219..LHD;MZEA11..TUR;ZRE210..N..EUR;ZRE210..6F..D..RUS;ZRE210..CVT..D..GCC;ZRE210..LHD..CVT..(GEN,RUS);MZEA11,ZRE211..LHD..(D,N)..(EUR,GCC,GEN)201901-202301
88548BCASE, AIR FILTER
main88899-F4030iZRE210..N..EUR;ZRE210..D..RUS;MZEA11,ZRE211..LHD..(D,N);ZRE210..CVT..(G,N)..(GEN,RUS);ZRE210..LHD..CVT..D..(GCC,GEN)201901-202301
88625THERMISTOR, COOLER, NO.1
main88620-02210iZRE210..N..EUR;ZRE210..D..RUS;MZEA11,ZRE211..LHD..(D,N);ZRE210..CVT..(G,N)..(GEN,RUS);ZRE210..LHD..CVT..D..(GCC,GEN)201901-202301
main88620-02210iZWE219..G,N;MZEA11..TUR;ZRE210..N..EUR;ZRE210..D..RUS;ZRE210..CVT..(G,N)..(GEN,RUS);ZRE210..LHD..CVT..D..(GCC,GEN);MZEA11,ZRE211..LHD..(D,N)..(EUR,GCC,GEN)202301
UKRAINE SPEC
MOLDOVA SPEC
COOLER REAR DUCT-WITHOUT
COLD AREA SPEC-SUB COLD AREA SPEC&COOLER REAR DUCT-WITHOUT
88650NAMPLIFIER ASSY, AIR CONDITIONER
main88650-02L41iZRE210..N..EUR;ZRE210..D..RUS;MZEA11,ZRE211..LHD..(D,N);ZRE210..CVT..(G,N)..(GEN,RUS);ZRE210..LHD..CVT..D..(GCC,GEN)202011-202301
main88650-02P10iZRE210..N..EUR;ZRE210..D..RUS;ZRE211..LHD..N;ZRE210..CVT..(G,N)..(GEN,RUS);ZRE210..LHD..CVT..D..(GCC,GEN)202301-202402
main88650-02P80iZRE210..N..EUR;ZRE210..D..RUS;ZRE211..LHD..N;ZRE210..CVT..(G,N)..(GEN,RUS);ZRE210..LHD..CVT..D..(GCC,GEN)202402
88897MGROMMET (FOR HEATER PIPE)
main87128-F4010iZRE210..N..EUR;ZRE210..D..RUS;MZEA11,ZRE211..LHD..(D,N);ZRE210..CVT..(G,N)..(GEN,RUS);ZRE210..LHD..CVT..D..(GCC,GEN)201901-202301
88899LPARTS, COOLING UNIT
main88899-F4040iZRE210..N..EUR;ZRE210..D..RUS;MZEA11,ZRE211..LHD..(D,N);ZRE210..CVT..(G,N)..(GEN,RUS);ZRE210..LHD..CVT..D..(GCC,GEN)201901-202301
88899MPLATE, COVER(FOR AIR FILTER)
8719387101
main87193-87101
9008018062
main90080-18062
9009900968
main90099-00968
9009904542
main90099-04542
90105W0277
main90105-W0277
90119W0127
main90119-W0127
9015960383
main90159-60383
90159W0007
main90159-W0007
90182W0016
main90182-W0016
33 parts on this diagram · 4 diagrams in section