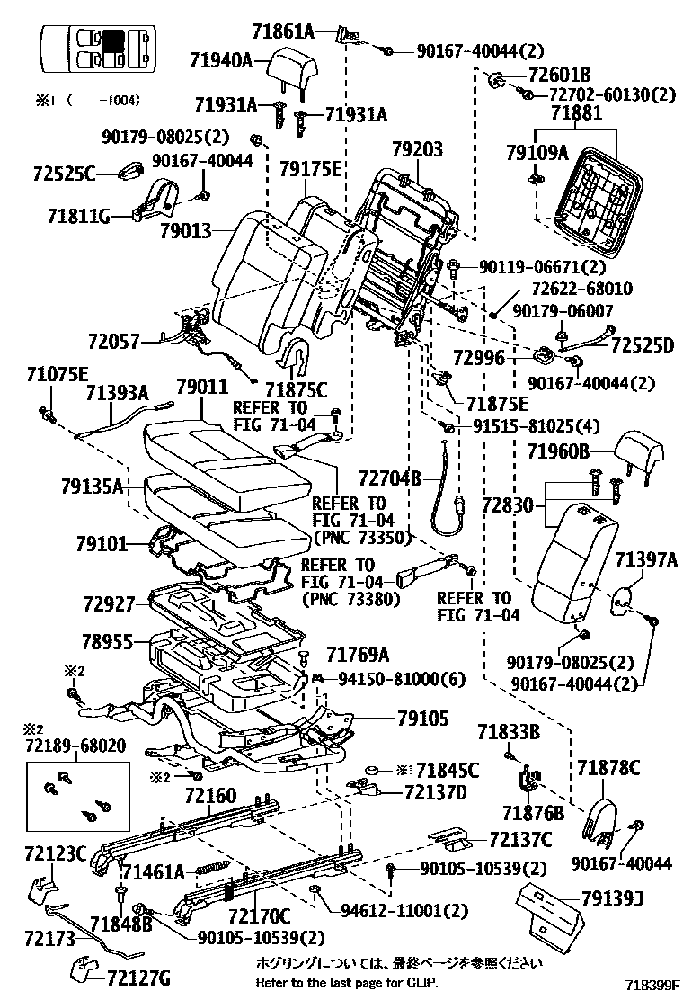
REAR SEAT & SEAT TRACK

7104
71075ECLIP(FOR REAR SEAT)
BLACK
71393ABAND, REAR SEAT CUSHION, RH
BLACK,TRIM1#
GREGE,TRIM4#
71397ACOVER, CENTER SEAT HINGE
BLACK,TRIM1#
GREGE,TRIM4#
71461ASPRING, REAR SEAT CUSHION, NO.1
71769ACLIP, REAR SEATBACK BOARD
BLACK,TRIM1#
GREGE,TRIM4#
71811GSHIELD, REAR SEAT CUSHION, RH
BLACK,TRIM1#
GREGE,TRIM4#
71833BCLIP (FOR REAR SEAT RECLINING COVER)
BLACK,TRIM1#
BLACK,TRIM1#
GREGE,TRIM4#
71845CCAP, REAR SEAT COVER
71848BCAP, SEAT ADJUSTER COVER, RH
71861ASHIELD, REAR SEAT CUSHION, INNER RH
BLACK,TRIM1#
GREGE,TRIM4#
71875CCOVER, RECLINING ADJUSTER INSIDE, RH
BLACK,TRIM1#
GREGE,TRIM4#
71875ECOVER, RECLINING ADJUSTER INSIDE, RH
71876BCOVER, RECLINING ADJUSTER INSIDE, LH
DK.GRAY,TRIM1#,4#
71878CCOVER, REAR SEAT RECLINING, INNER RH
BLACK,TRIM1#
GREGE,TRIM4#
BLACK,TRIM1#
71881BOARD, REAR SEATBACK, RH
BLACK,TRIM1#
GREGE,TRIM4#
71931ASUPPORT, REAR SEAT HEADREST
W(LOCK)&W(BUTTON),DK.GRAY,TRIM1#,4#
W(LOCK)&W(BUTTON),GREGE,TRIM4#
W(LOCK)&W/O(BUTTON),DK.GRAY,TRIM1#,4#
W(LOCK)&W/O(BUTTON),GREGE,TRIM4#
71940AHEADREST ASSY, REAR SEAT
DARK GRAY,TRIM1#
GREGE,TRIM4#
DK.GRAY,TRIM1#
GREGE,TRIM4#
DK.BLUE,TRIM4#
71960BHEADREST ASSY, REAR SEAT, CENTER
DARK GRAY,TRIM1#
GREGE,TRIM4#
DK.GRAY,TRIM1#
GREGE,TRIM4#
DK.BLUE,TRIM4#
72057LEVER SUB-ASSY, REAR SEAT LOCK CONTROL, RH
72123CCOVER, SEAT TRACK BRACKET, OUTER FRONT RH
DK.GRAY,TRIM1#,4#
72127GCOVER, SEAT TRACK BRACKET, INNER FRONT RH
DK.GRAY,TRIM1#,4#
72137CCOVER, SEAT TRACK INNER, RH
DK.GRAY,TRIM1#,4#
DK.GRAY,TRIM1#
72137DCOVER, REAR SEAT TRACK, RH
72160TRACK ASSY, REAR SEAT, OUTER RH
72170CTRACK ASSY, REAR NO.1 SEAT, INNER RH
72525CHANDLE, RECLINING ADJUSTER RELEASE, NO.1 RH
BLACK,TRIM1#
GREGE,TRIM4#
72525DHANDLE, RECLINING ADJUSTER RELEASE, NO.2 RH
GREGE,TRIM4#
72601BSTRIKER SUB-ASSY, REAR SEATBACK LOCK
BLACK,TRIM1#
GREGE,TRIM4#
72704BCABLE, REAR SEAT RECLINING CONTROL, NO.2
72830ARMREST ASSY, REAR SEAT, CENTER
BLACK,TRIM1#
BLACK,TRIM1#
GREGE,TRIM4#
GREGE,TRIM4#
DARK GRAY/BLACK,TRIM1#
GREGE/BLACK,TRIM4#
DK.GRAY/BLACK,TRIM1#
DK.BLUE/BLACK,TRIM4#
GREGE,TRIM4#
GREGE,TRIM4#
72927COVER, REAR SEAT CUSHION UNDER, RH
DARK GRAY,TRIM1#,4#
BLACK,TRIM1#
GREGE,TRIM4#
GREGE,TRIM4#
DARK GRAY,TRIM1#
BLACK,TRIM1#
72996COVER, REAR SEATBACK, RH
BLACK,TRIM12
GREGE,TRIM4#
78955COVER, REAR SEAT UNDER TRAY RH
BLACK,TRIM1#
GREGE,TRIM4#
BLACK,TRIM1#
GREGE,TRIM4#
BLACK,TRIM1#
BLACK,TRIM1#
79011COVER SUB-ASSY, NO.1 SEAT CUSHION, RH
DARK GRAY,TRIM1#
DK.GRAY,TRIM1#
DK.GRAY/DARK GRAY,TRIM1#
DK.GRAY/GREGE,TRIM4#
DK.BLUE/DARK GRAY,TRIM1#
DK.BLUE/GREGE,TRIM4#
DK.GRAY,TRIM1#
DK.GRAY,TRIM1#
79013COVER SUB-ASSY, NO.1 SEATBACK, RH
DARK GRAY,TRIM1#
DK.GRAY,TRIM1#
DK.GRAY,TRIM1#
DK.GRAY/DARK GRAY,TRIM1#
DK.BLUE/GREGE,TRIM4#
DK.BLUE/DARK GRAY,TRIM1#
DK.BLUE/GREGE,TRIM4#
DK.GRAY,TRIM1#
79101FRAME SUB-ASSY, NO.1 SEAT CUSHION
79105LEG SUB-ASSY, NO.1 SEAT, RH
79109ACLIP (FOR NO.1 SEATBACK BOARD)
79135APAD, NO.1 SEAT CUSHION, RH
79139JCLOTH, NO.1 SEAT CUSHION RH
79203FRAME SUB-ASSY, NO.2 SEATBACK
7218968020
main72189-68020
7262268010ROD, REAR SEATBACK STOPPER CONNECTING
main72622-68010
7270260130BRACKET SUB-ASSY, REAR SEATBACK STRIKER
main72702-60130
9010510539
main90105-10539
9011906671
main90119-06671
9016740044
main90167-40044
9017906007
main90179-06007
9017908025
main90179-08025
9151581025
main91515-81025
9415081000
main94150-81000
9461211001
main94612-11001
55 parts on this diagram · 7 diagrams in section