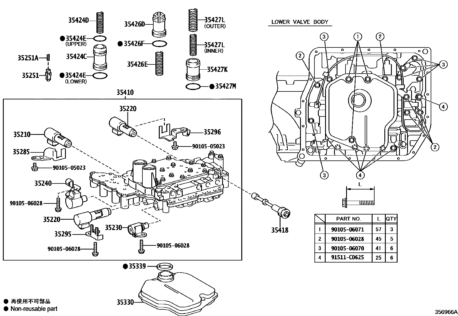
VALVE BODY & OIL STRAINER (ATM)

35210SOLENOID ASSY, CLUTCH CONTROL, NO.1
35220SOLENOID ASSY, CLUTCH CONTROL, NO.2
35230SOLENOID ASSY, TRANSMISSION 3WAY, NO.2
35240SOLENOID ASSY, AUTOMATIC TRANSMISSION 3WAY
35251BODY, CHECK BALL
35251ASPRING, COMPRESSION (FOR CHECK BALL BODY)
35285PLATE, SOLENOID LOCK
35295PLATE, SOLENOID LOCK, NO.2
35296PLATE, SOLENOID LOCK, NO.3
35330STRAINER ASSY, VALVE BODY OIL
35339GASKET, OIL STRAINER
35410BODY ASSY, TRANSMISSION VALVE
sub35410-33180
35418VALVE, MANUAL
35424CPISTON, C-1 ACCUMULATOR
35424DSPRING, COMPRESSION (FOR C-1 ACCUMULATOR PISTON)
35424ERING, O (FOR C-1 ACCUMULATOR PISTON)
UPPER
LOWER
35426DPISTON, C-3 ACCUMULATOR
35426ESPRING, COMPRESSION (FOR C-3 ACCUMULATOR PISTON)
35426FRING, O (FOR C-3 ACCUMULATOR PISTON)
35427KPISTON, B-3 ACCUMULATOR
35427LSPRING, COMPRESSION (FOR B-3 ACCUMULATOR PISTON)
INNER
OUTER
35427MRING, O (FOR B-3 ACCUMULATOR PISTON)
9010505023
main90105-05023
9010506028
main90105-06028
9010506070
main90105-06070
9010506071
main90105-06071
91511C0625
main91511-C0625
27 parts on this diagram · 2 diagrams in section