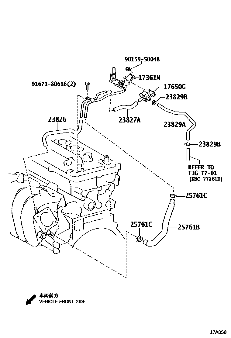
VACUUM PIPING

17361MTUBE, AIR
17650GVALVE, DUTY VACUUM SWITCHING
23826HOSE, FUEL VAPOR FEED, NO.1
23827AHOSE, FUEL VAPOR FEED, NO.2
23829AHOSE, FUEL VAPOR FEED
23829BCLIP(FOR FUEL VAPOR FEED HOSE)
25761BHOSE, VACCUM TRANSMITTING, NO.1
25761CCLIP(VACCUM TRANSMITTING HOSE NO.1)
7701
9015950048
main90159-50048
9167180616
main91671-80616
11 parts on this diagram · 4 diagrams in section