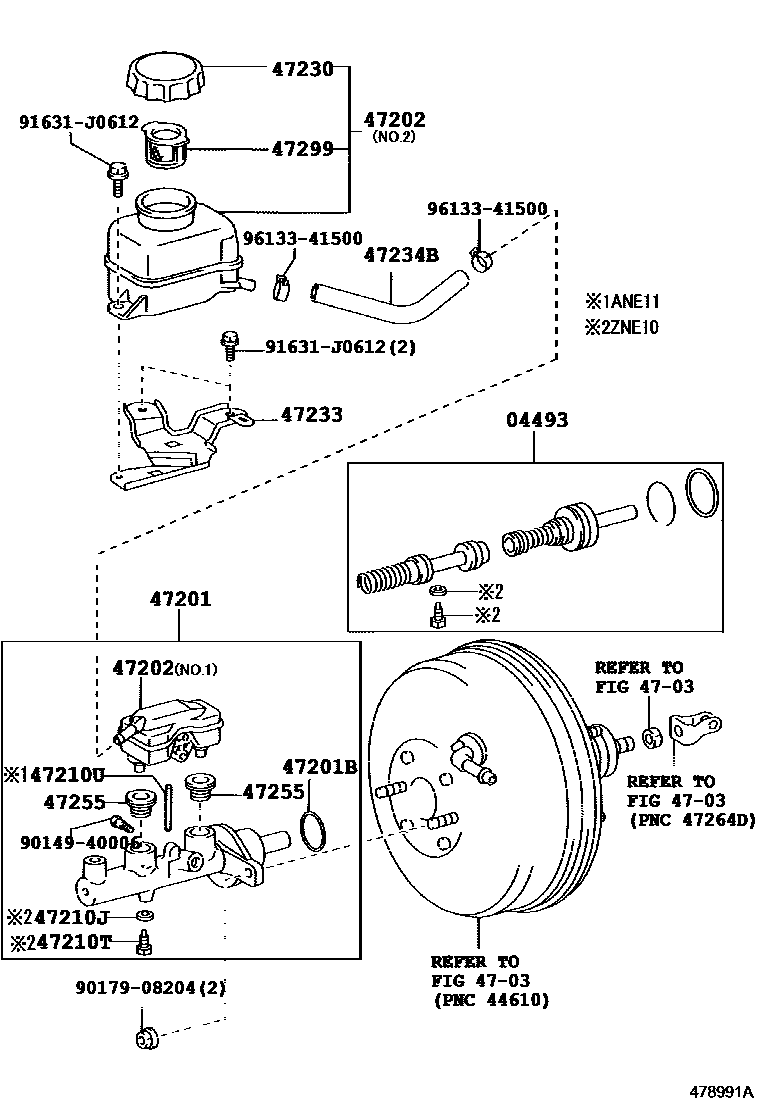
BRAKE MASTER CYLINDER

04493CYLINDER KIT, BRAKE MASTER
4703
47201CYLINDER SUB-ASSY, BRAKE MASTER
47201BRING, O(FOR BRAKE MASTER CYLINDER)
47202RESERVOIR SUB-ASSY, BRAKE MASTER CYLINDER
NO.2
NO.2
NO.1
47210JGASKET(FOR MASTER CYLINDER)
47210TBOLT(FOR BRAKE MASTER CYLINDER)
47210UPIN, STRAIGHT(FOR BRAKE MASTER CYLINDER)
47230CAP ASSY, BRAKE MASTER CYLINDER RESERVOIR FILLER
sub47230-47090
47233BRACKET, RESERVOIR
47255GROMMET, MASTER CYLINDER RESERVOIR
47299STRAINER, BRAKE MASTER CYLINDER RESERVOIR
9014940006
main90149-40006
9017908204
main90179-08204
91631J0612
main91631-J0612
9613341500
main96133-41500
17 parts on this diagram · 2 diagrams in section