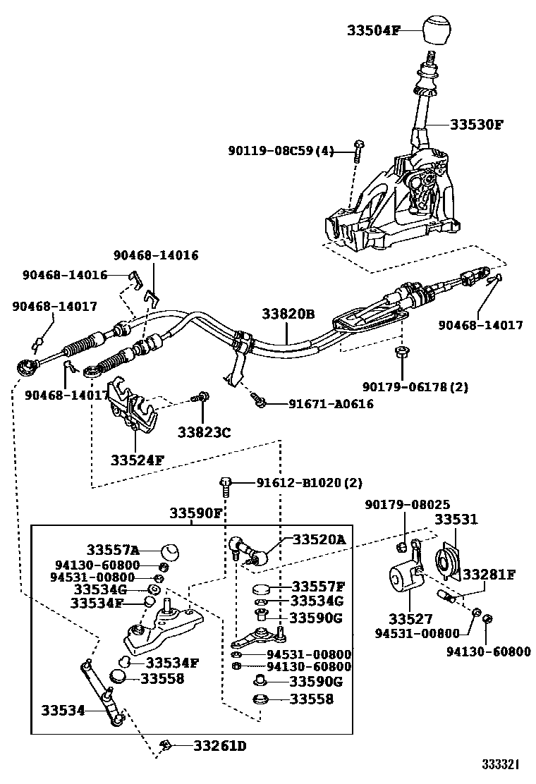
SHIFT LEVER & RETAINER

33261DBUSH (FOR SHIFT & SELECT LEVER)
33281FPIN, LEVER LOCK (FOR FLOOR SHIFT)
33504FKNOB SUB-ASSY, SHIFT LEVER
SHIFT LEVER & KNOB-LEATHER,DK.GRAY,TRIM1#
sub33504-12330
STEERING WHEEL-3-SPOKE,LEATHER,W(STEERING SW),BLACK,TRIM1#
sub33504-12330
SHIFT LEVER & KNOB-LEATHER,DK.GRAY,TRIM1#
sub33504-72020
STEERING WHEEL-3-SPOKE,LEATHER,W(STEERING SW),DK.GRAY,TRIM1#
sub33504-12500
33520ASHAFT ASSY, FLOOR SHIFT CONTROL
33524FBRACKET, CONTROL LEVER HOUSING SUPPORT (FOR FLOOR SHIFT)
33527LEVER, CONTROL SHIFT (FOR FLOOR SHIFT)
33531BOOT, DUST (FOR CONTROL SHIFT LEVER)
33534BELLCRANK, SELECTING
33534FBUSH (FOR SELECTING BELLCRANK NO.2)
33534GWASHER, PLATE (FOR SELECTING BELLCRANK NO.2)
33557ACOVER, SELECTING BELLCRANK DUST, NO.1
33557FCOVER, CONTROL BELLCRANK DUST (FOR FLOOR SHIFT)
33558COVER, SELECTING BELLCRANK DUST, NO.2
33590FCRANK ASSY, SELECTING BELL (FOR FLOOR SHIFT)
33590GBUSH (FOR SELECTING BELL CRANK)
33820BCABLE ASSY, TRANSMISSION CONTROL
33823BRACKET, TRANSMISSION CONTROL CABLE, NO.1
33823CBOLT (FOR TRANSMISSION CONTROL CABLE BRACKET)
*201,*206
9011908C59
main90119-08C59
9017906178
main90179-06178
9017908025
main90179-08025
9046814016
main90468-14016
9046814017
main90468-14017
91612B1020
main91612-B1020
91671A0616
main91671-A0616
9413060800
main94130-60800
9453100800
main94531-00800
28 parts on this diagram · 5 diagrams in section