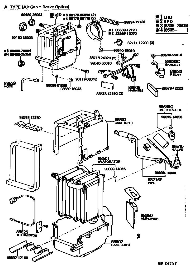
HEATING & AIR CONDITIONING - COOLER UNIT

88501EVAPORATOR SUB-ASSY, COOLER, NO.1
88502CASE SUB-ASSY, COOLING UNIT
W/HEATER,UPR
W/HEATER,LWR
88510UNIT ASSY, COOLER
W/HEATER,B TYPE
W/BOOST VENTILATOR,A TYPE
W/HEATER
W/HEATER,B TYPE
W/HEATER,B TYPE
W/BOOST VENTILATOR,A TYPE
W/HEATER
W/BOOST VENTILATOR
W/BOOST VENTILATOR
88515VALVE, COOLER EXPANSION
88539HOSE, COOLER UNIT DRAIN, NO.1
88605HARNESS SUB-ASSY, COOLER WIRING, NO.1
W/BOOST VENTILATOR
W/HEATER
W/HEATER
W/BOOST VENTILATOR
W/BOOST VENTILATOR
88630RELAY ASSY, COOLER
88630CBRACKET, COOLER RELAY
88645GSWITCH, PRESSURE
88650AMPLIFIER ASSY, COOLER STABILIZER
W/BOOST VENTILATOR
W/BOOST VENTILATOR
W/BOOST VENTILATOR
W/BOOST VENTILATOR
88716FPIPE, COOLER REFRIGERANT LIQUID, F
8271112200WIRE, FUSE TO FUSE(FOR COMBUSTION HEATER)
main82711-12200
8856912070CLAMP (FOR COOLER RELAY)
main88569-12070
8856912120CLAMP (FOR COOLER RELAY)
main88569-12120
8857812150PAKING, COOLER AIR DUCT
main88578-12150
8857812220PAKING, COOLER AIR DUCT
main88578-12220
8857812280PAKING, COOLER AIR DUCT
main88578-12280
8871824020PIPE, COOLER REFRIGERANT SUCTION, NO.2
main88718-24020
8889212160BRACKET, COOLER EVAPORATOR MOUNTING
main88892-12160
8889712130VALVE, COOLER MAGNET
main88897-12130
9009901099
main90099-01099
9009914044
main90099-14044
9009914046
main90099-14046
9009914056
main90099-14056
9011906042
main90119-06042
9017906054
main90179-06054
9017906115
main90179-06115
9048025258
main90480-25258
9048026003
main90480-26003
9048026004
main90480-26004
9048036003
main90480-36003
9353055016
main93530-55016
9354055010
main93540-55010
9358016025
main93580-16025
35 parts on this diagram · 2 diagrams in section