E
EPC Data

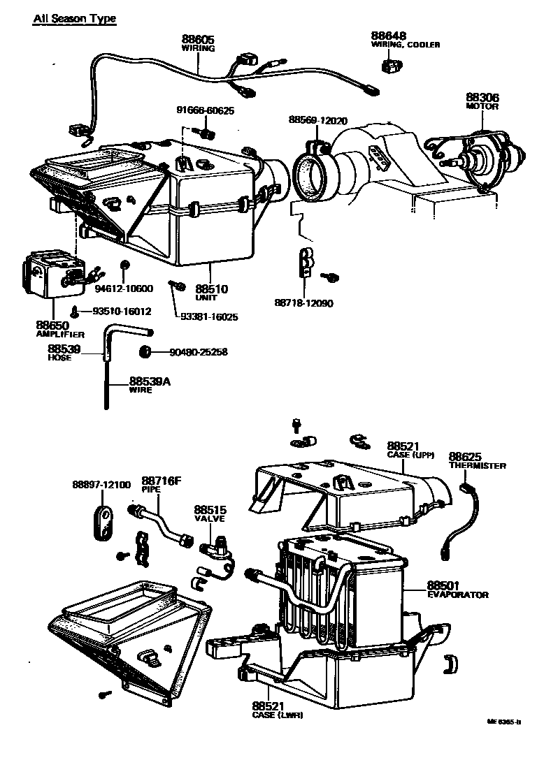
HEATING & AIR CONDITIONING - COOLER UNIT

Parts diagram
88306MOTOR SUB-ASSY, COOLER BLOWER, NO.1
main87104-12113i197805-197908
main88550-12050i197408-197701
main88550-12070i197701-197805
main88550-12071i197805-198107
main88550-12111i197708-198002
main88550-12112i197709-197908
main88550-30300i197408-197708
88501EVAPORATOR SUB-ASSY, COOLER, NO.1
main88501-12050i197408-197611
main88501-12051i197611-197701
main88501-12052i197701-197709
main88501-12081i197701-197805
main88501-12100i197708-197805
main88501-12110i197709-197805
main88501-12120i197805-197902
main88501-12130i197805-197902
main88501-12140i197805-197902
main88501-12200i197902-198107
main88501-12210i197902-198002
main88501-12220i197902-197908
main88501-30520i197408-197701
main88501-30530i197701-197708
88510UNIT ASSY, COOLER
main88510-12050i197408-197504
main88510-12051i197504-197602
main88510-12053i197602-197611
main88510-12054i197611-197701
main88510-12055i197701-197709
main88510-12071i197408-197701
main88510-12081i197701-197709
main88510-12082i197709-197805
main88510-12100i197708-197805
main88510-12110i197709-197805
main88510-12131i197805-197902
main88510-12140i197805-197902
main88510-12150i197805-197902
main88510-12220i197902-198107
main88510-12230i197902-198002
main88510-12240i197902-197908
main88510-30670i197701-197708
88515VALVE, COOLER EXPANSION
main88515-10010i197408-197709
main88515-12030i197408-197504
main88515-12031i197504-197602
main88515-12032i197602-197611
main88515-12050i197611-197805
main88515-14020i197805-197902
main88515-20031i197701-197805
main88515-20040i197805-198107
88521CASE, COOLER UNIT
main88521-12110i197408-197701
UPPER
main88521-12120i197408-197701
LOWER
88539HOSE, COOLER UNIT DRAIN, NO.1
main88539-12020i197701-197709
main88539-12021i197708-198107
main88539-12030i197709-197805
main88539-22011i197408-197701
main90099-33304i197701-197709
88539AWIRE, DRAIN HOSE(FOR COOLER)
main88895-12020i197408-197708
88605HARNESS SUB-ASSY, COOLER WIRING, NO.1
main88605-12051i197408-197701
main88605-12052i197701-197709
main88605-12080i197408-197701
main88605-12100i197701-197708
main88605-12111i197709-197805
(B)
main88605-12130i197709-197805
(A)
main88605-12131i197805-198107
main88605-12140i197708-197805
(A)
main88605-12141i197805-198002
main88605-12150i197709-197805
(A)
88625THERMISTOR, COOLER, NO.1
main88625-12020i197408-197709
main88625-12030i197701-197709
main88625-12050i197709-198107
main88625-20040i197709-197805
main88625-22010i197408-197701
main88625-30480i197701-197709
88648WIRING, COOLER, NO.1
main82550-20020i197701-198107
main88648-12120i197805-197902
88650AMPLIFIER ASSY, COOLER STABILIZER
main88650-12020i197701-197709
main88650-12030i197709-197805
main88650-14010i197708-198002
main88650-14021i197805-198107
main88650-22040i197408-197709
88716FPIPE, COOLER REFRIGERANT LIQUID, F
main88716-12210i197408-197701
main88716-12340i197709-197805
main88716-12360i197709-197805
main88716-12390i197805-197908
main88716-12400i197805-198107
8856912020CLAMP (FOR COOLER RELAY)
8871812090PIPE, COOLER REFRIGERANT SUCTION, NO.2
8889712100VALVE, COOLER MAGNET
9048025258
9166660625
9338116025
9351016012
9461210600

20 parts on this diagram · 5 diagrams in section

HEATING & AIR CONDITIONING - COOLER UNIT — Toyota Parts Diagram with OEM Numbers & Prices | EPC Data