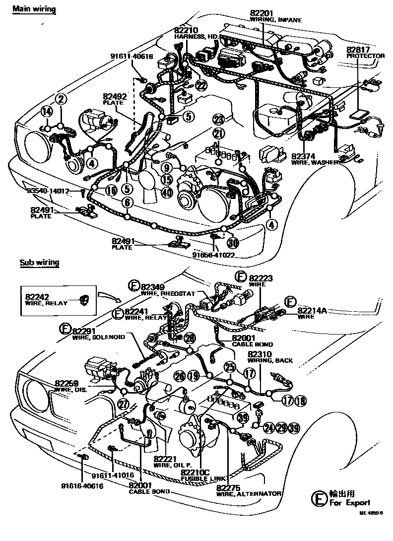
WIRING & CLAMP

82001CABLE, BOND, NO.1
RR COMBINATION LAMP
RR COMBINATION LAMP
FUEL SENDER
ENGINE-DASH PANEL
L=160
ENGIN-BODY
L=370
L=260
RADIO TUNER-BODY
ENGINE-APRON
RADIO TUNER
L=360,RADIO TUNER
82201WIRING SUB-ASSY, INSTRUMENT PANEL
sub82201-12020
sub82201-12111
sub82201-12121
sub82201-12121
W/TACHOMETER
sub82201-12291
sub82201-12301
sub82201-12311
sub82201-12321
sub82201-12341
sub82201-12351
sub82201-12381
sub82201-12391
sub82201-12421
82210HARNESS ASSY, WIRING COWL TO HEADLAMP, NO.1
EXCL/AUSTRALIA
EXCL/AUSTRALIA
sub82210-12642
sub82210-12643
sub82210-12722
sub82210-12723
WEST GERMANY SPEC
82210CFUSIBLE LINK
W/AMMETER
W/AMMETER
82214AWIRE, LAMP
RR ROOM LAMP
RR ROOM LAMP
W/*RW
W/O *RW,EXCL/WEST GERMANY SPEC
W/*RW,WEST GERMANY SPEC
82223WIRE, SWITCH
82241WIRING ASSY, HEADLAMP JUNCTION
W/DEFOGGER HEAVY DUTY
82242WIRE, LAMP FAILURE INDICATOR RELAY
82259WIRE, DISTRIBUTOR
82275WIRE, ALTERNATOR
82291WIRING, TO SOLENOID
82349WIRE, LIGHT CONTROL RHEOSTAT
AUSTRALIA SPEC
82374WIRE, WASHER
82491PLATE, WIRING HARNESS PROTECTOR, NO.1
RH
LH
82492PLATE, WIRING HARNESS PROTECTOR, NO.2
82817PROTECTOR, WIRING HARNESS, NO.1
L=450
*RW WIRE
9161140616
main91611-40616
9161141016
main91611-41016
9161640616
main91616-40616
9165641022
main91656-41022
9354014012
main93540-14012
23 parts on this diagram · 8 diagrams in section