E
EPC Data

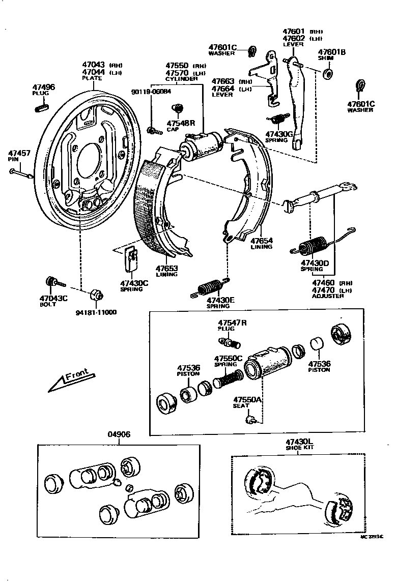
REAR DRUM BRAKE WHEEL CYLINDER & BACKING PLATE

Parts diagram
04906CUP KIT, REAR WHEEL CYLINDER
main04906-12030i197701-198107
ID=19.05 W/C
main04906-12040i197408-197506
ID=20.64 W/C
47043PLATE SUB-ASSY, BRAKE BACKING, REAR RH
main47043-12010i197908-198107
main47043-13010i197903-197908
main47043-14011i197701-197903
main47043-20050i197408-197908
47043CBOLT(FOR BACKING PLATE TO REAR AXLE HOUSING SETTING)
main42184-22011×8i197903-197908
*10-1.25PX37-15
main42184-22020×8i197908-198107
*10-1.25PX26-10
47044PLATE SUB-ASSY, BRAKE BACKING, REAR LH
main47044-12010i197908-198107
main47044-13010i197903-197908
main47044-14011i197408-197701
main47044-20050i197408-197908
47430CSPRING(FOR REAR BRAKE SHOE HOLD DOWN)
main47446-10010×4i197701-198107
47430DSPRING, TENSION(FOR REAR BRAKE SHOE RETURN)
main90506-23001×2i197701-198107
main90506-23356i197408-197506
RH
main90506-23357i197408-197506
LH
main90506-23375×2i197908-198107
47430ESPRING, TENSION(FOR REAR BRAKE SHOE RETURN)
main90506-18299×2i197408-197701
main90506-23346×2i197701-197908
47430GSPRING, TENSION(FOR REAR BRAKE AUTOMATIC ADJUST LEVER)
main90506-12276×2i197701-197908
main90506-12310×2i197701-197908
47430LSHOE KIT, REAR BRAKE
main04495-12050i197609-197807
FR DRUM BRAKE
main04495-12060i197908-198107
FR DISC BRAKE
main04495-12070i197701-197908
FR DISC BRAKE
47457PIN, SHOE HOLD DOWN SPRING(FOR REAR BRAKE)
main47447-10010×4i197408-197701
main47447-11010×4i197701-197908
47460ADJUSTER ASSY, SHOE, RH(FOR REAR BRAKE)
main47061-12020i197408-197701
main47061-14021i197701-197908
47470ADJUSTER ASSY, SHOE, LH(FOR REAR BRAKE)
main47062-12020i197408-197701
main47062-14021i197701-197908
47496PLUG, HOLE(FOR REAR BRAKE)
main47491-20011×2i197408-197701
47536PISTON, WHEEL BRAKE CYLINDER(FOR REAR BRAKE)
main47051-12020×4i197701-197908
ID=19.05 W/C
main47051-12030×4i197701-198107
ID=20.64 W/C
main47051-22030×4i197610-197701
ID=19.05 W/C
main47051-22031×4i197702-197908
ID=19.05 W/C
main47051-22040×4i197506-197508
SWEDEN SPEC,ID=20.64 W/C
47547RPLUG, BLEEDER(FOR DRUM BRAKE, REAR)
main47547-20010×2i197408-197701
47548RCAP, BLEEDER PLUG(FOR DRUM BRAKE, REAR)
main31478-30010×2i197408-197701
47550CYLINDER ASSY, REAR WHEEL BRAKE(FOR RH, FRONT OR UPPER)
main47550-19065i197701-197908
FR DRUM BRAKE,ID=19.05
main47550-19075i197701-198107
ID=20.64
main47550-29105i197408-197506
FR DRUM BRAKE,ID=19.05
main47550-29106i197702-197908
ID=19.05
main47550-29115i197610-197701
ID=20.64
47550ASEAT, UNION(FOR REAR WHEEL BRAKE CYLINDER)
main90410-03015×2i197408-197508
47550CSPRING, COMPRESSION(FOR REAR WHEEL BRAKE CYLINDER)
main47509-12010×2i197506-197610
ID=19.05 W/C
main47509-12020×2i197706-198107
ID=20.64 W/C
main47509-22010×2i197506-197508
SWEDEN SPEC,ID=20.64 W/C
47570CYLINDER ASSY, REAR WHEEL BRAKE(FOR LH, FRONT OR UPPER)
main47550-19065i197701-197908
ID=19.05
main47550-19075i197701-198107
ID=20.64
main47550-29105i197408-197506
FR DRUM BRAKE,ID=19.05
main47550-29106i197702-197908
ID=19.05
main47550-29115i197506-197508
SWEDEN SPEC,ID=20.64
47601LEVER SUB-ASSY, PARKING BRAKE SHOE, RH(FOR REAR BRAKE)
main47601-14010i197701-197908
main47611-12011i197701-197908
47601BSHIM, REAR PARKING BRAKE SHOE LEVER
main90564-08150×2i197408-197701
T=0.3,T=0.3
main90564-08151×2i197408-197701
T=0.6,T=0.6
main90564-08152×2i197408-197701
T=0.9,T=0.9
main90564-08172×2i197701-198107
T=0.2,T=0.2
main90564-08173×2i197408-197701
T=0.4,T=0.4
main90564-08174×2i197701-198107
T=0.5,T=0.5
47601CWASHER, C(FOR REAR BRAKE)
main90213-06013×4i197408-197701
T=1.2
47602LEVER SUB-ASSY, PARKING BRAKE SHOE, LH (FOR REAR BRAKE)
main47602-14010i197408-197701
main47612-12011i197701-197908
47653LINING, REAR BRAKE SHOE(FOR FRONT OR UPPER)
main47655-12010×2i197408-197506
FR DRUM BRAKE
main47655-12020×2i197701-197908
main47655-12030×2i197408-197506
FR DISC BRAKE
47654LINING, REAR BRAKE SHOE(FOR REAR OR LOWER)
main47655-12010×2i197408-197506
FR DRUM BRAKE
main47655-12020×2i197701-197908
main47655-12030×2i197609-197807
FR DISC BRAKE
47663LEVER, AUTOMATIC ADJUST, RH(FOR REAR BRAKE)
main47643-12011i197408-197701
main47643-14021i197701-197908
47664LEVER, AUTOMATIC ADJUST, LH(FOR REAR BRAKE)
main47644-12011i197701-197908
main47644-14021i197701-197908
9011906084
9418111000

30 parts on this diagram · 2 diagrams in section

REAR DRUM BRAKE WHEEL CYLINDER & BACKING PLATE — Toyota Parts Diagram with OEM Numbers & Prices | EPC Data