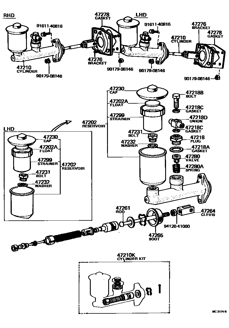
BRAKE MASTER CYLINDER

47202AFLOAT, MASTER CYLINDER RESERVOIR
47210CYLINDER ASSY, MASTER, W/O BOOSTER
FR DRUM BRAKE
FR DRUM BRAKE
sub47201-12061
FR DISC BRAKE
sub47201-12101
sub47201-12111
sub47201-12141
W/BOOSTER
47218AGASKET(FOR FLUID OUTLET PLUG)
W/O BOOSTER
47218BBOLT, UNION(FOR MASTER CYLINDER FLUID OUTLET)
47218CGASKET(FOR MASTER CYLINDER FLUID OUTLET)
47218DUNION(FOR MASTER CYLINDER FLUID OUTLET)
47230CAP ASSY, BRAKE MASTER CYLINDER RESERVOIR FILLER
FR DRUM BRAKE
47231BOLT, BRAKE MASTER CYLINDER RESERVOIR SET
SWEDEN SPEC
main47231-30010iKE35..RHD..K40;KE35..LHD..K40..DLX..GEN;KE30,36,38,5#..ARL,GEN,SA;KE35..(A20,K50)..(ARL,GEN)197408-198107
47232WASHER, BRAKE RESERVOIR SET BOLT
47261ROD, MASTER CYLINDER PUSH
47264CLEVIS, MASTER CYLINDER PUSH ROD
47265BOOT, MASTER CYLINDER
FR DRUM BRAKE
47276BRACKET, BRAKE MASTER CYLINDER
FR DRUM BRAKE
FR DRUM BRAKE
47278GASKET, BRAKE MASTER CYLINDER BRACKET
FR DRUM BRAKE
FR DRUM BRAKE
47280VALVE ASSY, BRAKE MASTER CYLINDER OUTLET CHECK
W/O BOOSTER
sub47280-24010
sub47280-20030
sub47280-14010
47280ASPRING, COMPRESSION
W/O BOOSTER
47299STRAINER, BRAKE MASTER CYLINDER RESERVOIR
FR DRUM BRAKE
9017908146
main90179-08146
9161140816
main91611-40816
9412041000
main94120-41000
23 parts on this diagram · 10 diagrams in section