E
EPC Data

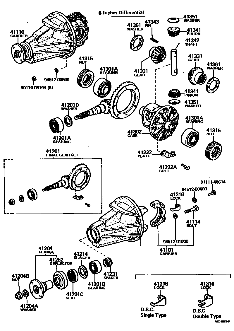
REAR AXLE HOUSING & DIFFERENTIAL

Parts diagram
41101CARRIER SUB-ASSY, DIFFERENTIAL, REAR
main41101-12020i197408-197902
main41101-12030i197902-198107
main41101-20010i197408-198008
main41101-20011i198008-198107
main41101-22010i197408-197908
41110CARRIER ASSY, DIFFERENTIAL, REAR
main41110-10080i197512-198107
*AXC=U292
main41110-12041i197408-197902
*AXC=S284
main41110-12050i197408-198107
*AXC=U282
main41110-12060i197408-197512
*AXC=U252
main41110-12110i197603-197908
*AXC=S314
main41110-20121i197408-198004
*AXC=S294
main41110-20180i197609-197908
*AXC=T292
main41110-20260i197408-197908
*AXC=T282
main41110-22013i197711-198107
*AXC=S292
41114BOLT, REAR DIFFERENTIAL BEARING CAP
main90101-10128i197408-198107
main90101-12371i197408-197908
main90105-10008i198008-198107
41201FINAL GEAR KIT, DIFFERENTIAL, REAR
main41201-19176i197408-197801
N=43:10
main41201-19177i197801-197902
N=43:10
main41201-19185i197603-197801
N=43:11
main41201-19186i197801-197908
N=43:11
main41201-19195i197408-197902
N=43:10
main41201-19196i197902-198107
N=43:10
main41201-19205i197408-197512
N=41:9
main41201-19225i197512-197902
N=41:10
main41201-19226i197902-198107
N=41:10
main41201-29038i197408-197801
N=41:10
main41201-29195i197609-197703
N=41:10
main41201-29196i197703-197908
N=41:10
main41201-29205i197408-197703
N=43:10
main41201-29206i197703-198004
N=43:10
main41201-29355i197801-198008
N=41:10
main41201-29356i198008-198107
*FGR=41:9,N=41:10
41201ABEARING (FOR REAR DRIVE PINION REAR)
main90368-30069i197408-198107
main90368-33021i197408-198107
main90368-34049i197408-197908
41201BBEARING (FOR REAR DRIVE PINION FRONT)
main90366-25047i197408-198107
main90368-30002i197709-198107
main90368-30069i197408-197809
41201CSEAL, OIL (FOR REAR DIFFERENTIAL CARRIER)
main90311-35131i197408-198107
main90311-38014i197706-198107
main90311-38015i197706-197908
main90311-38124i197408-197706
41201DWASHER, PLATE (FOR REAR DIFFERENTIAL DRIVE PINION)
main90201-30234i197408-198107
T=2.33
main90201-30235i197408-198107
T=2.36
main90201-30236i197408-198107
T=2.39
main90201-30237i197408-198107
T=2.41-2.43,T=2.42
main90201-30238i197408-198107
T=2.44-2.46,T=2.45
main90201-30239i197408-198107
T=2.47-2.49,T=2.48
main90201-30240i197408-198107
T=2.50-2.52,T=2.51
main90201-30241i197408-198107
T=2.53-2.55,T=2.54
main90201-30242i197408-198107
T=2.56-2.58,T=2.57
main90201-30539i197408-198107
T=2.23-2.25,T=2.24
main90201-30540i197408-198107
T=2.26-2.28,T=2.27
main90201-30541i197408-198107
T=2.29-2.31,T=2.30
main90201-30542i197408-198107
T=2.59-2.61,T=2.60
main90201-30543i197408-198107
T=2.62-2.64,T=2.63
main90201-30544i197408-198107
T=2.65-2.67,T=2.66
main90201-35396i197408-197908
T=2.36,MARK 05,T=2.36
main90201-35397i197408-197908
T=2.39,MARK 06,T=2.39
main90201-35398i197408-197908
T=2.42,MARK 07,T=2.42
main90201-35399i197408-197908
T=2.43,MARK 08,T=2.45
main90201-35400i197408-197908
T=2.48,MARK 09,T=2.48
main90201-35401i197408-197908
T=2.51,MARK 10,T=2.51
main90201-35402i197408-197908
T=2.54,MARK 11,T=2.54
main90201-35403i197408-197908
T=2.57,MARK 12,T=2.57
main90201-35404i197408-197908
T=2.60,MARK 13,T=2.60
main90201-35435i197408-197908
T=2.27,MARK 02,T=2.27
main90201-35436i197408-197908
T=2.30,MARK 03,T=2.30
main90201-35437i197408-197908
T=2.33,MARK 04,T=2.36
main90201-35438i197408-197908
T=2.63,MARK 14,T=2.63
main90201-35439i197408-197908
T=2.66,MARK 15,T=2.66
main90201-35440i197408-197908
T=2.69,MARK 16,T=2.69
main90209-33038i197408-198107
T=2.52,T=2.52
main90209-33039i197408-198107
T=2.55,T=2.55
main90209-33040i197408-198107
T=2.58,T=2.58
main90209-33041i197408-198107
T=2.61,T=2.61
main90209-33042i197408-198107
T=2.64,T=2.64
main90209-33043i197408-198107
T=2.67,T=2.67
main90209-33044i197408-198107
T=2.70,T=2.70
main90209-33045i197408-198107
T=2.73,T=2.73
main90209-33046i197408-198107
T=2.76,T=2.76
41204FLANGE SUB-ASSY, REAR DRIVE PINION COMPANION, REAR
main41204-12020i197408-198107
main41204-20012i197408-198107
main41204-20020i197408-197908
41204AWASHER, PLATE (FOR REAR DRIVE PINION)
main90201-16244i197408-198107
main90201-18485i197408-198107
41204BNUT (FOR REAR DRIVE PINION)
main90179-16052i197408-198107
main90179-18001i197801-198107
S=15
main90179-18001i197703-197801
S=15,6.7 IN
main90179-18060i197408-197703
S=9
main90179-18060i197703-197801
S=9,6.38 IN
main90179-18060i197711-197801
41214SLINGER, REAR DIFFERENTIAL DRIVE PINION OIL
main41214-12020i197408-198107
main41214-20020i197408-198107
41222PLATE, REAR DIFFERENTIAL RING GEAR SET BOLT LOCK
main41222-12020i197408-197902
main41222-12030i197902-198107
main41222-20020i197408-198008
main41222-20021i198008-198107
main41222-30030i197408-197908
41222ABOLT (FOR REAR DIFFERENTIAL RING GEAR SET)
main90101-11353i197408-197908
main90101-11365i197408-198107
main90109-10015i197408-198107
41231SPACER, REAR DIFFERENTIAL DRIVE PINION BEARING
main41231-12020i197408-198107
main41231-20020i197408-198107
main41231-22010i197408-197908
41252DEFLECTOR, DUST (FOR REAR DIFFERENTIAL)
main37341-20010i197408-198107
main41252-12020i197408-198107
main41252-22010i197408-197908
41301ABEARING(FOR REAR DIFFERENTIAL CASE)
main90368-34020i197408-198107
main90368-41050i197408-197908
41302CASE SUB-ASSY, REAR DIFFERENTIAL
main41301-22011i197711-197905
main41301-22012i197905-198107
main41301-22020i197408-197905
main41301-22021i197905-198004
main41311-12020i197408-197805
main41311-12021i197805-197902
main41311-12030i197902-198107
main41311-22030i197408-197908
41315NUT, REAR DIFFERENTIAL BEARING ADJUSTING
main41315-12010i197408-197902
main41315-12020i197902-198107
main41315-20010i197408-198008
main41315-20011i198008-198107
main41315-22011i197408-197908
41316LOCK, REAR DIFFERENTIAL BEARING ADJUSTING NUT
main41316-12010i197408-198107
SINGLE TYPE
main41316-20010i197408-198107
SINGLE TYPE
main41316-20020i197408-198107
DOUBLE TYPE
main41316-22011i197408-197908
SINGLE TYPE
main41317-12010i197408-198107
DOUBLE TYPE
main41317-22011i197408-197908
DOUBLE TYPE
41331GEAR, REAR DIFFERENTIAL SIDE
main41331-20010i197408-197805
N=16
main41331-20011i197805-198107
N=16
main41331-22011i197408-198107
N=14
main41331-22020i197408-197908
N=15
41341PINION, REAR DIFFERENTIAL
main41341-20010i197408-197805
N=10
main41341-20011i197805-198107
N=10
main41341-22010i197408-197905
N=10
main41341-22011i197905-198107
N=10
main41341-22020i197408-197908
N=10
41342SHAFT, REAR DIFFERENTIAL PINION
main41342-12010i197408-198107
L=87,OD=15
main41342-20010i197408-198107
L=94,OD=15
main41342-20020i197408-198004
L=24,OD=15
main41342-22010i197408-197908
L=101,OD=17
41343PIN, REAR DIFFERENTIAL PINION SHAFT
main41343-22010i197408-198107
main90250-04053i197408-198107
main90250-04193i197408-197908
41351WASHER, REAR DIFFERENTIAL PINION THRUST
main41351-12010i197805-198107
41361WASHER, REAR DIFFERENTIAL SIDE GEAR THRUST, NO.1
main41361-12010i197408-198107
T=1.50,T=1.50
main41361-12020i197408-198107
T=1.55,T=1.55
main41361-12030i197408-198107
T=1.60,T=1.60
main41361-12040i197408-198107
T=1.65,T=1.65
main41361-12050i197408-198107
T=1.70,T=1.70
main41361-12060i197408-198107
T=1.75,T=1.75
main41361-12070i197706-198107
T=1.50
main41361-12080i197706-198107
T=1.55
main41361-12090i197706-198107
T=1.60
main41361-12100i197706-198107
T=1.65
main41361-12110i197706-198107
T=1.70
main41361-12120i197706-198107
T=1.75
main41361-22010i197408-197706
T=1.50
main41361-22020i197408-197908
T=1.00,MARK 02,T=1.00
main41361-22030i197408-197908
T=1.10,MARK 03,T=1.10
main41361-22040i197408-197908
T=1.20,MARK 04,T=1.20
main41361-22140i197408-197908
T=0.95,MARK 14,T=0.95
main41361-22150i197408-197908
T=1.05,MARK 15,T=1.05
main41361-22160i197408-197908
T=1.15,MARK 16,T=1.15
main41362-22010i197408-197706
T=1.55
main41363-22010i197408-197706
T=1.60
9017008194
9111140614
9451200600
9451200800
9451201000

31 parts on this diagram · 5 diagrams in section

REAR AXLE HOUSING & DIFFERENTIAL — Toyota Parts Diagram with OEM Numbers & Prices | EPC Data