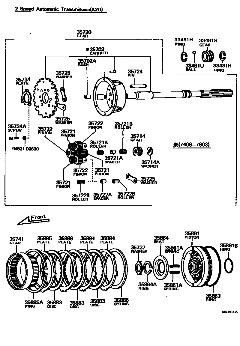
PLANETARY GEAR, REVERSE PISTON & COUNTER GEAR(ATM)

33481HRING, SHAFT SNAP (FOR ATM SPEEDMETER DRIVE GEAR)
33481SGEAR, SPEEDOMETER DRIVE (ATM)
N=5
N=5
N=6,AUSTRIA SPEC
N=5
N=6
N=6
35702CARRIER SUB-ASSY, PLANETARY W/LOCK GEAR
sub35720-20031
35702ABUSH, BIMETAL FORMED (FOR PLANETARY OUTPUT SHAFT)
35714GEAR, INPUT SUN
N=28
35714AWASHER (FOR INPUT SUN GEAR THRUST)
35720GEAR ASSY, FRONT PLANETARY
sub35720-22012
35721PINION, PLANETARY LONG
N=18
35721ASPACER (FOR PLANETARY LONG PINION)
35721BROLLER (FOR PLANETARY LONG PINION)
sub90361-02006
35722PINION, PLANETARY SHORT
N=28
35722ASPACER (FOR PLANETARY SHORT PINION)
35722BROLLER (FOR PLANETARY SHORT PINION)
sub90361-02006
35724PIN, PLANETARY SHORT PINION
35725WASHER, PLANETARY PINION THRUST, NO.1
35734PLATE, PLANETARY PINION PIN LOCK
35734ASCREW (FOR PLANETARY PINION PIN LOCK PLATE)
35737WASHER, PLANETARY CARRIER THRUST
35741GEAR, REVERSE RING
N=79
35861PISTON, REVERSE
35861ASPRING, COMPRESSION (FOR REVERSE PISTON BACK)
35861BRING, O (FOR REVERSE PISTON INNER SEAL)
35863RING, REVERSE PISTON OIL SEAL, OUTER
35864SEAT, REVERSE PISTON RETURN SPRING
35864ARING, SHAFT SNAP (FOR OUTPUT)
35883DISC, REVERSE CLUTCH
sub35883-12012
35884PLATE, REVERSE CLUTCH, NO.2
35885PLATE, REVERSE CLUTCH PRESSURE
35885ARING, HOLE SNAP (FOR CLUTCH PLATE)
35886SPRING, REVERSE CLUTCH CUSHION
35889PLATE, REVERSE CLUTCH, NO.2
9452100600
main94521-00600
33 parts on this diagram · 2 diagrams in section