E
EPC Data

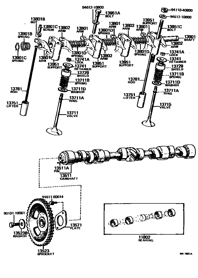
CAMSHAFT & VALVE

Parts diagram
11802BEARING SET, CAMSHAFT
main11802-22010i197408-198107
STD
main11802-25010i197408-198004
STD
main11803-22010i197408-197511
U/S 0.125
main11803-25010i197408-197511
U/S 0.125
main11804-22010i197408-198107
U/S 0.250
main11804-25010i197408-198004
U/S 0.250
13511CAMSHAFT
main13501-13010i197705-198107
main13501-22010i197408-197705
main13501-24010i197408-197705
main13501-24011i197705-197908
main13501-88222i197408-197902
main13511-25010i197408-198004
13511APIN, STRAIGHT(FOR CAMSHAFT KNOCK)
main90072-25005i197408-197902
L=15,OD=6
main90250-05121i197408-198107
L=15,OD=5,L=15,OD=5
13523GEAR OR SPROCKET, CAMSHAFT TIMING
main13522-33010i197408-198004
N=36
main13523-22010i197408-198107
N=36
main13523-88220i197408-197902
N=24
13523BWASHER, PLATE(FOR TIMING GEAR)
main90201-10489i197408-198107
main90201-14293i197408-198004
13571PLATE, CAMSHAFT THRUST
main13571-13010i197705-198107
main13571-22010i197408-197705
main13571-51010i197408-198004
13711VALVE, INTAKE
main13711-24010i197408-197410
main13711-24011i197410-198107
main13711-25011i197408-198004
main13711-88222i197408-197706
main13711-88223i197706-197902
13711ASEAL OR RING, O(FOR VALVE STEM OIL)
main90072-72206i197408-197902
NOK
main90301-06096i197408-197410
main90913-02023i197704-198102
main90913-02024i197408-198004
main90913-02056i198102-198107
13711BSPRING, COMPRESSION(FOR INNER)
main90072-50137i197707-197902
WD=2.6,CW=8.0
main90501-42293i197408-198107
WD=4.2,CW=6.5
main90501-42409i197408-197908
WD=4.2,CW=6
main90501-47540i197408-198004
WD=4.7,CW=5.75
13711DWASHER, PLATE(FOR VALVE SPRING SEAT)
main90201-15247i197408-197510
main90201-15387i197408-198004
main90201-16002i197510-198107
13715VALVE, EXHAUST
main13715-24011i197408-197410
main13715-24012i197410-198107
main13715-24030i197508-198107
main13715-25011i197408-198004
main13715-88223i197408-197902
13729SHIELD, VALVE STEM OIL
main13729-22010i197408-197410
13741RETAINER, VALVE SPRING
main13741-22011i197408-197410
main13741-24020i197410-198107
main13741-25011i197408-197511
main13741-25012i197511-198004
main13741-88210i197408-197707
main13741-88211i197707-197902
13741ALOCK, VALVE SPRING RETAINER
main90913-03005i197408-198107
main90913-03010i197408-197902
13751LIFTER, VALVE
main13751-22012i197408-197606
STD
main13751-22013i197606-198107
STD
main13751-31010i197408-197609
STD
main13751-31020i197609-198004
STD
main13751-88210-01i197408-197902
OD=37.925 -OD=37.931,BLACK,BLACK
main13751-88210-02i197408-197902
OD=37.931 -OD=37.937,BLUE,RED/MAROON
main13751-88210-03i197408-197902
OD=37.937 -OD=37.943,YELLOW,GRAY
main13751-88210-04i197408-197902
OD=37.943 -OD=37.949,RED,BLUE
main13755-22012i197408-197606
O/S 0.05
main13755-22013i197606-198107
0/S 0.05
main13755-31010i197408-197609
O/S 0.05
main13755-31020i197609-198004
O/S 0.05
13781ROD, VALVE PUSH
main13781-13010i197808-198107
main13781-24021i197408-198107
main13781-25011i197408-198004
13801ARM SUB-ASSY, VALVE ROCKER, NO.1
main13811-22011i197408-198107
main13811-25011i197408-198004
13801BNUT, HEXAGON(FOR VALVE ADJUSTING)
main90170-08094i197408-198107
13801CSCREW, VALVE ADJUSTING
main90913-05013i197408-198107
13801DSPRING, COMPRESSION(FOR ROCKER ARM)
main90501-11008i197903-198107
main90501-12008i197602-198004
main90501-14292i197408-197602
13802ARM SUB-ASSY, VALVE ROCKER, NO.2
main13812-22011i197408-198107
main13812-25010i197408-198004
13901SHAFT SUB-ASSY, VALVE ROCKER, NO.1
main13901-22010i197408-197903
main13901-22011i197903-198107
main13901-25010i197408-198004
13901BSPRING, CONICAL(FOR VALVE ROCKER SHAFT)
main90502-14022i197408-198107
13901CSPRING, RETAINER(FOR VALVE ROCKER SHAFT)
main90524-13009i197408-198107
13951SUPPORT, VALVE ROCKER, NO.1
main13951-22010i197408-197507
main13951-24010i197507-197903
W/O OIL HOLE
main13951-24012i197903-198107
W/O OIL HOLE
main13951-25010i197408-198004
main13952-24010i197507-197903
W/OIL HOLE
main13952-24012i197903-198107
W/OIL HOLE
13951ABOLT(FOR ROCKER SUPPORT SET)
main90105-08028i197902-198107
main90910-01005i197408-197507
main90910-01011i197507-197902
main90910-02040i197408-198004
13951CBOLT, STUD(FOR ROCKER SUPPORT)
main90116-08082i197903-198107
L=100,S=10&54
main90116-08127i197408-197903
L=96,S=10&50
9010110061
9161160614
9411040800
9461210800

31 parts on this diagram · 4 diagrams in section

CAMSHAFT & VALVE — Toyota Parts Diagram with OEM Numbers & Prices | EPC Data