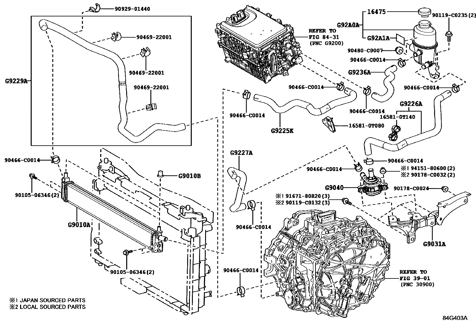
INVERTER COOLING

3901
8431
G9010ARADIATOR ASSY
G9010BCUSHION, INVERTER RADIATOR
G9031ABRACKET SUB-ASSY, HV WATER PUMP
G9040INVERTER WATER PUMP ASSY(W/MOTOR)
G9225KHOSE, INVERTER COOLING, NO.1
G9226AHOSE, INVERTER COOLING, NO.2
G9227AHOSE, INVERTER COOLING, NO.3
G9229AHOSE, INVERTER COOLING, NO.5
G9236AHOSE, INVERTER COOLING, NO.6
G92A0ATANK ASSY, INVERTER RESERVE
G92A1ALABEL, HYBRID COOLANT SYSTEM INFORMATION
165810T080CLAMP, HOSE(FOR WATER HOSE)
main16581-0T080
165810T140CLAMP, HOSE(FOR WATER HOSE)
main16581-0T140
9010506346
main90105-06346
90119C0132
main90119-C0132
90119C0235
main90119-C0235
90178C0024
main90178-C0024
90178C0032
main90178-C0032
90466C0014
main90466-C0014
9046922001
main90469-22001
90480C0007
main90480-C0007
9092901440
main90929-01440
9167180820
main91671-80820
9415180600
main94151-80600
27 parts on this diagram · 1 diagram in section